电路磁路基础
1.基尔霍夫定理:
- KCL:
任何时刻,对任意结点,所有支路电流的代数和恒为零。
i1+i2+i3+…in=0 (输入与输出的电流的代数和为零)
- KVL:
任何时刻,沿任一回路的各支路的电压的代数和恒为零。
u1+u2+u3+…un=0 (支路取正号还是取负号,一律以参考方向为准)
2.电源模型的等效变换
电压源 电流源
为了让I'=I , U'=U .则灯箱变换条件是 Rs=R' , Is=Us/Rs .
- 一般情况下,这两种等效模型内部功率情况并不相等,但对于外电路,它们吸收货提供的功率总是一样的。
- 不相等的电压源不允许并联,不相等的电流源不允许串联。
3.电阻三角形连接与星形连接的等效变换
星形电阻=(三角形中相邻两电阻和之积)/(三角形中个电阻之和)
三角形电阻=(星形中个电阻两两乘积之和)/(星形中不相连的一个电阻)
如果R1=R2=R3 , 则 R△=3 R丫
4.齐性定理:
- 当电路中只有一个激励源时,网络的形影与激励成正比,用齐性定理分析梯形图电路非常方便。
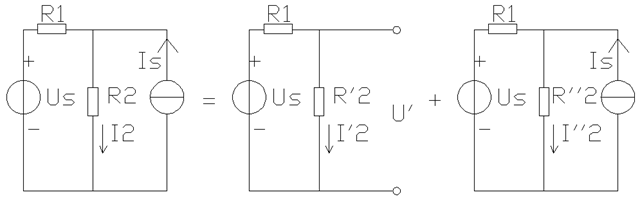
5.叠加定理:
- 独立源的作用和,常以分析某电源的影响,但不能计算功率。
独立电源:其他电源为零不作用,即电压源短路,电流源开路。
6.替代定理:
已知 U 或 I 用电压源代替 用电流源代替
- 如果某二端网端口电压 U 已知,则该二端网可以用电压源代替
- 如果某二端网端口电流 I 已知,则该二端网可以用电流源代替
7.戴维宁定理:
- 对于外电路,一个含独立源的二端网可用一个电压源和电阻串联组合等效,电压源电压等于该二端网的开路电压 Uoc ,电阻等于该二端网所有独立源为零时的输入电阻 R0 (内阻)。
8.诺顿定理:
- 对于外电路,一个含独立源的二端网可用一个电流源和电阻并联组合等效,电流源电流等于该二端网的短路电流 Isc ,电阻等于该二端网所用独立源为零时端口处所等效的电阻 R0(内阻)。










浙公网安备 33010602011771号