MATLAB代码:综合能源系统优化模型概述及其鲁棒优化
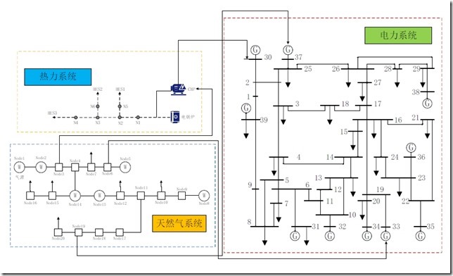
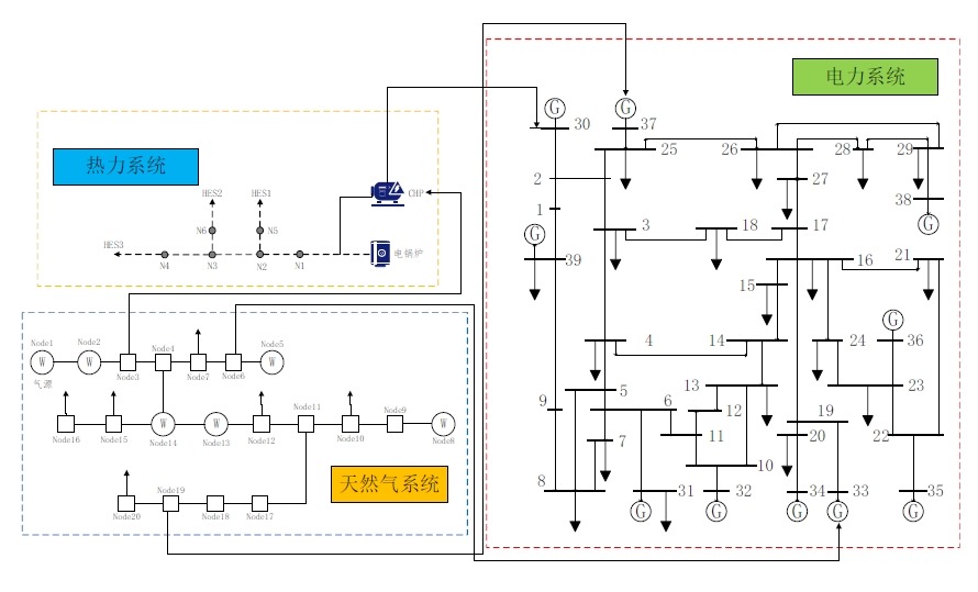
主要内容: 本文在分析典型冷热电联供(combined cooling, heat and power, CCHP)系统的基础上, 并结合其他优秀lunwen加以补充模型中的不足处, 并围绕该系统结构设计了微网调度优化模型构架. 在该结构中, 选取电气、烟气、蒸汽、热水、空气作为基本母线, 与源、负荷、储能和转换装置联接形成微网. 使用该结构对各设备进行独立建模, 有助于CCHP系统的灵活配置和通用建模. 围绕该结构,建立联供型微网日前动态经济调度的混合整数非线性规划模型, 最后通过测试算例证实了建立模型的合理性和有效性, 并补充部分鲁棒优化理论.
关键词:冷热电联供系统, 微网, 日前经济调度, 混合整数非线性规划
YID:9850676080558735




浙公网安备 33010602011771号