会员
众包
新闻
博问
闪存
赞助商
HarmonyOS
Chat2DB
所有博客
当前博客
我的博客
我的园子
账号设置
会员中心
简洁模式
...
退出登录
注册
登录
judaima801
博客园
首页
新随笔
新文章
联系
管理
订阅
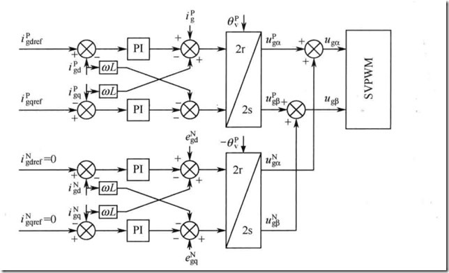
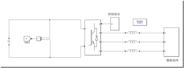
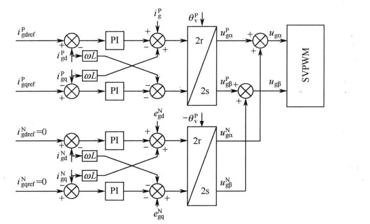
三相逆变 整流并网,正负序分离,在电网电压不平衡跌落 平衡跌落时,消除负序电流
三相逆变 整流并网,正负序分离,在电网电压不平衡跌落 平衡跌落时,消除负序电流,维持电网电流三相对称,可用于光伏和风力发电系统
有参考文献
YID:7750
661862079056
posted on
2023-04-10 18:07
27699885
阅读(
136
) 评论(
0
)
收藏
举报
刷新页面
返回顶部
公告