会员
众包
新闻
博问
闪存
赞助商
HarmonyOS
Chat2DB
所有博客
当前博客
我的博客
我的园子
账号设置
会员中心
简洁模式
...
退出登录
注册
登录
judaima801
博客园
首页
新随笔
新文章
联系
管理
订阅
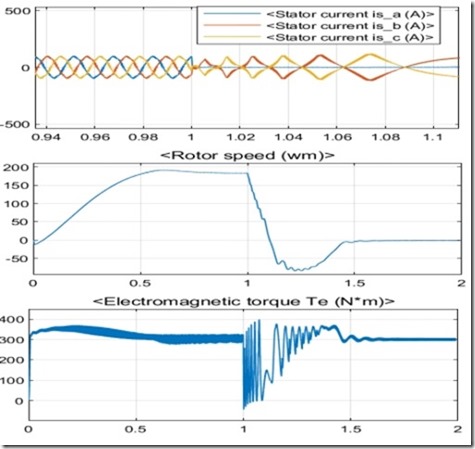
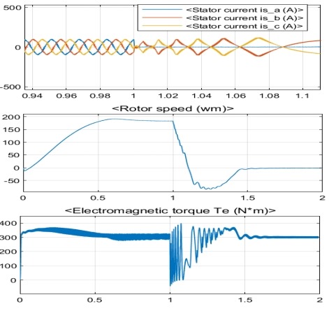
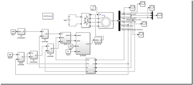
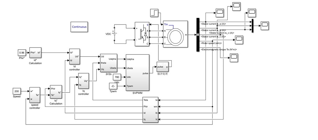
matlab仿真逆变器故障模拟 牵引逆变器IGBT故障模拟系统
matlab仿真逆变器故障模拟
牵引逆变器IGBT故障模拟系统
YID:8850
629480936977
posted on
2023-04-10 18:06
27699885
阅读(
36
) 评论(
0
)
收藏
举报
刷新页面
返回顶部
公告