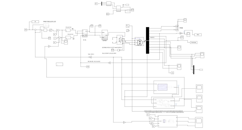
带负载转矩观测器的永磁同步电动机控制方法。
负载转矩观测器无论是对静态的负载变化还是动态的负载变化都有很好的观测效果。
一方面可以较好的跟踪负载转矩的变化,另一方面可以作为前馈减小电机转速的波动。

YID:9650672148599043

456123

posted on 2023-04-10 18:00  27699885  阅读(26)  评论(0)    收藏  举报