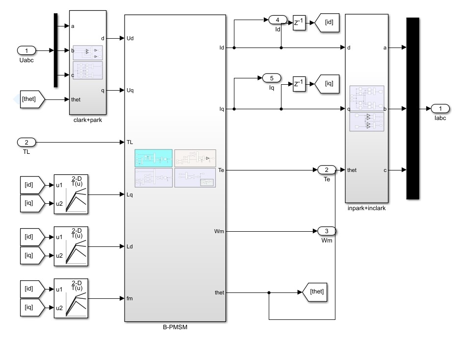
自己搭建的Simulink永磁同步电机(PMSM)模型,一共有两个,分别是基本型永磁同步电机模型(B_PMSM)和磁饱和型永磁同步电机模型(S_PMSM)。
两者的区别是前者电机参数是定值,后者部分电机参数是变值(由Id和Iq共同决定)。
两个模型都是按照定子电压方程+磁链方程+转矩方程+运动方程四个方程自己搭建的。
经仿真验证:同等条件下其各项输出与Simulink自带的永磁同步电机模块基本一致。
提供B_PMSM和S_PMSM两个模型+参考文献+永磁同步工作电机工作原理
YID:1175662157596736



浙公网安备 33010602011771号