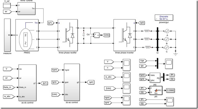
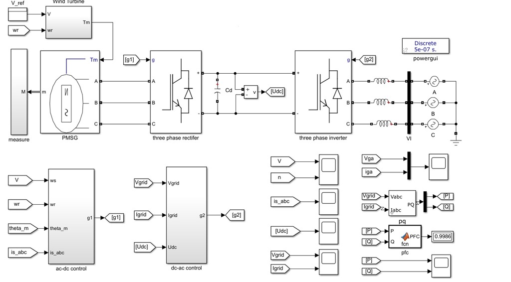
PMSG永磁同步发电机并网仿真模型
(1)主要包括发电机、整流器、逆变器(双pwm控制)、电网、控制、显示等部分;
(2)风机最大功率跟踪mppt采用最佳叶尖速比法;
(3)机侧控制(发电控制):采用转速、电流双闭环控制,均采用PI,磁链解耦;调制策略采用SVPWM;
(4)网侧控制(并网控制):采用电压、电流双闭环控制,均采用PI;基于电压前馈解耦(有功、无功解耦);调制策略采用SVPWM;
(5)动态响应特性好,当转矩突变时,发电机输出转速稳定,直流母线电压稳定;
(6)并网电压和电流同相位,功率因数接近1;
(7)并网电流谐波畸变小,THD=3.01%;
附带说明以及参考文献
YID:8988669910477334





浙公网安备 33010602011771号