基于51单片机的智能鱼缸设计。
有原理图,程序,原文
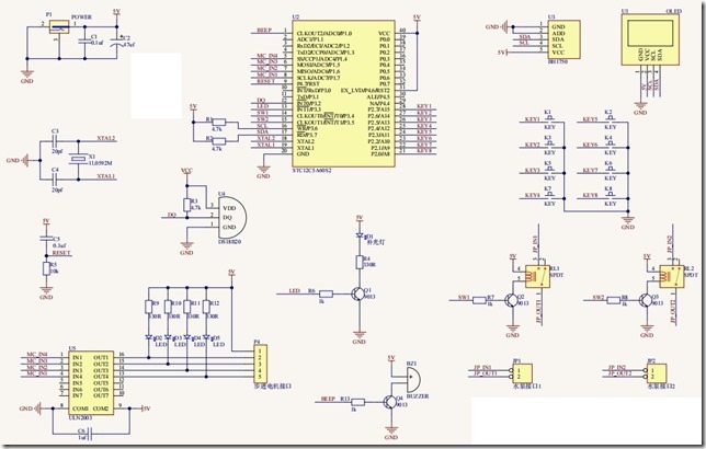
才用STC12C5A60S2,最新款国产51单片机。
本系统设计的主要是基于单片机为核心,设计一款集温度检测、恒温控制、步进电机控制、继电器控制、矩阵键盘设计于一身的智能鱼缸控制系统,理论联系实际达到期望的效果。
本系统的信号采集主要依靠DH1750光强传感器、DS18B20温度传感器来实现。
在鱼缸内部内部时刻检测,将传感器采集到的信号由物理信号转变成电压脉冲数字信号再自动传送至单片机控制器,进而触发相应子程序。
总的工作流程是系统上电工作,温度传感器DS18B20检测鱼缸内的温度,单片机实时做出判断,当温度在设定阈值内,系统不做出反应。
如果出现温度低于最低阈值,蜂鸣器就会开始工作,进行报警,而且报警的指示灯会亮,才会实现加热电路的带动工作。
光照传感器实时监测环境亮度,低于阈值时,自动照明,也可以通过按键设置手动照明。
通过按键设置自动投喂时间,即通过按键设置步进电机工作时间,带动投喂负载工作。
再就是通过按键设置继电器控制阀门进水、出水工作时间。
本系统采用USB 5V供电,在上电工作之后,OLED液晶显示器实时显示系统名称,自动投喂时间、照明工作模式、鱼缸内实时水温。
YID:7350666247006275

浙公网安备 33010602011771号