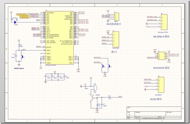
基于stm32人体健康监测系统,包含pcb
(心率,血氧,体温,语音播报,报警)
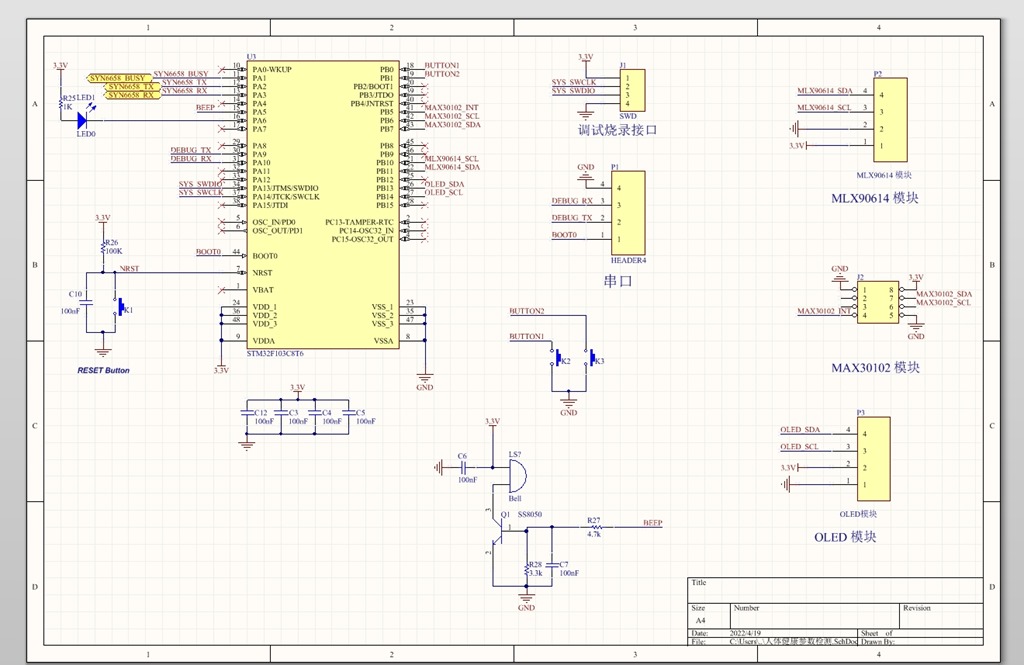
本设计采用STM32F103C8T6作为主控
使用MAX30102采集心率和血氧值
使用MLX90614测量体温
OLED显示当前信息
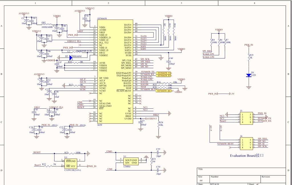
语音播报使用SYN6658芯片,外围自己搭建,播放当前温度、心率、血氧
两个按键一个蜂鸣器警报,当体温、心率、血氧异常发出警报
资料包括源码,原理图,pcb,bom清单,都是原始文件

YID:8750673630563967

612345

posted on 2023-04-10 17:57  27699885  阅读(397)  评论(0)    收藏  举报