cruise模型,增程汽车仿真模型,串联混动,基于cruise simulink联合仿真。
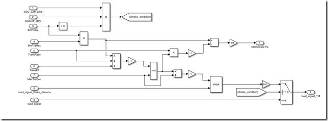
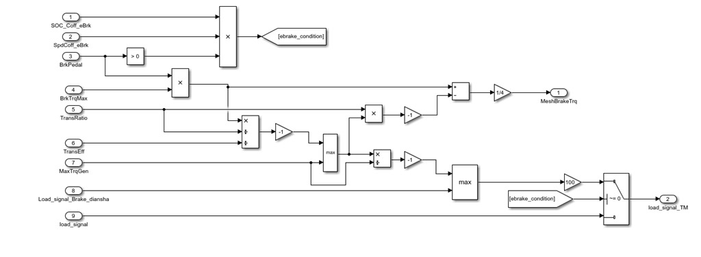
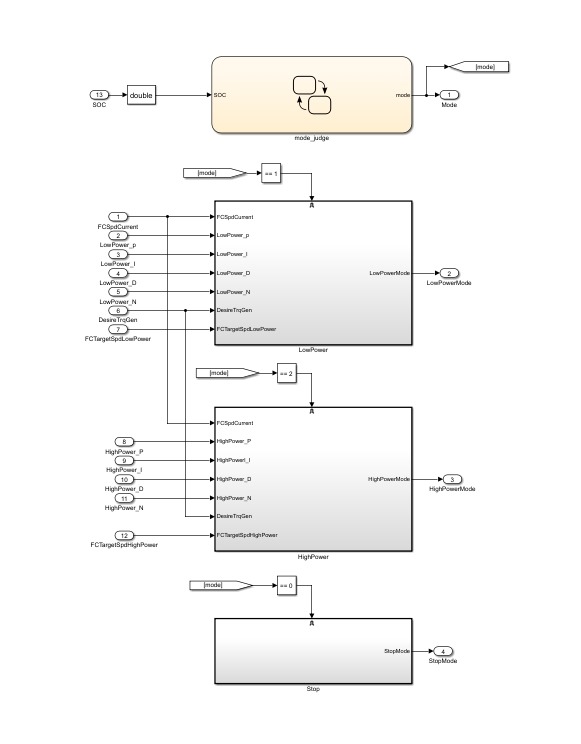
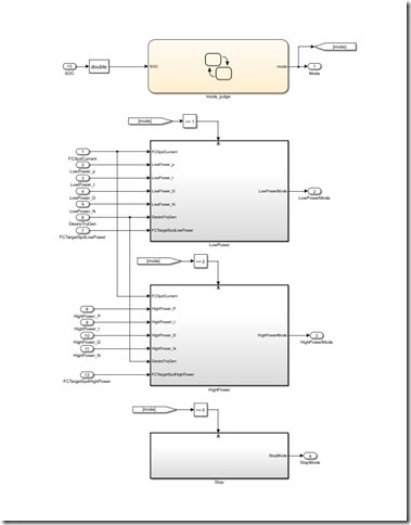
实现增程器多点控制策略,及电制动优先的能量回收策略。
提供cruise模型、控制策略文件以及策略说明文档,方便您在模型基础上进行扩展。

YID:6255640342354950

78123456

posted on 2023-04-07 11:05  27699885  阅读(60)  评论(0)    收藏  举报