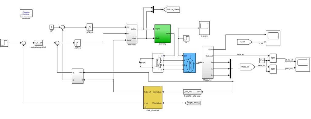
基于一种低通滤波反电势观测器的永磁同步电机无感FOC
采用的反电势观测器相比传统的SMO、龙伯格等反电势观测方法,在算法结构上更加简单,参数调节容易,只有一个参数。
1.提供算法对应的参考文献和仿真模型;
2.提供该算法对应代码,可直接移植到CCS中实现实验验证;

YID:2758674832839890


4123

posted on 2023-04-07 11:03  27699885  阅读(101)  评论(0)    收藏  举报