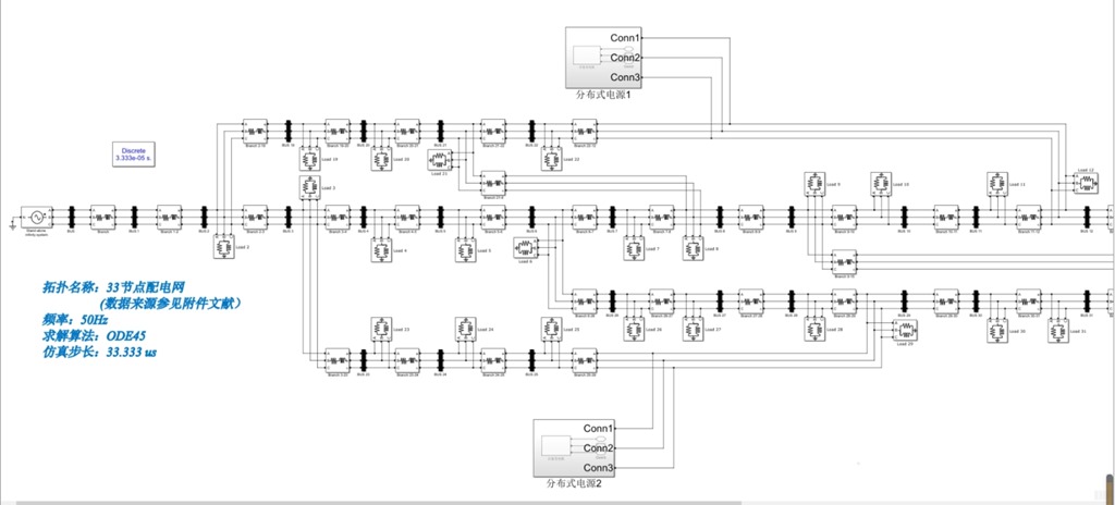
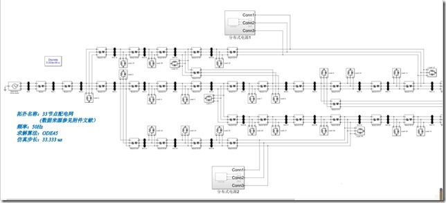
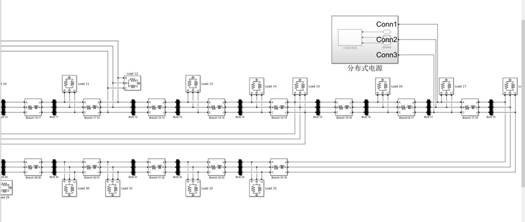
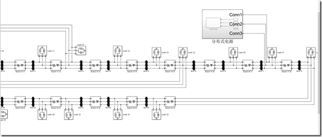
含分布式电源的33节点配电网matlab模型图,支持matlab2021a版及以上版本运行,分布式电源可自行修改输出功率以及调整接入配电网节点的位置,联系可附含分布式电源的33节点配电网潮流计算程序以及节点电压图

YID:1860675346223268

4123

posted on 2023-04-07 10:30  27699885  阅读(110)  评论(0)    收藏  举报