会员
周边
新闻
博问
闪存
众包
赞助商
Chat2DB
所有博客
当前博客
我的博客
我的园子
账号设置
会员中心
简洁模式
...
退出登录
注册
登录
judaima801
博客园
首页
新随笔
新文章
联系
管理
订阅
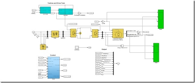
直驱式永磁同步风力发电系统的仿真模型
直驱式永磁同步风力发电系统的仿真模型
YID:5365
668131862029
posted on
2023-04-07 10:29
27699885
阅读(
41
) 评论(
0
)
收藏
举报
刷新页面
返回顶部
公告