会员
众包
新闻
博问
闪存
赞助商
HarmonyOS
Chat2DB
所有博客
当前博客
我的博客
我的园子
账号设置
会员中心
简洁模式
...
退出登录
注册
登录
judaima801
博客园
首页
新随笔
新文章
联系
管理
订阅
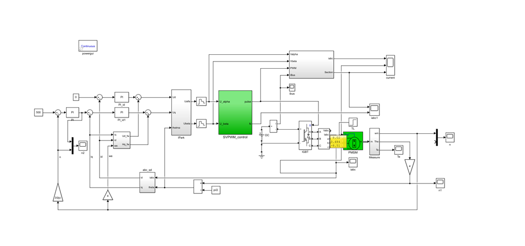
单电阻采样的永磁同步电机相电流重构策略仿真,波形效果佳。
单电阻采样的永磁同步电机相电流重构策略仿真,波形效果佳。
YID:4870
662310628516
posted on
2023-04-07 10:20
27699885
阅读(
40
) 评论(
0
)
收藏
举报
刷新页面
返回顶部
公告