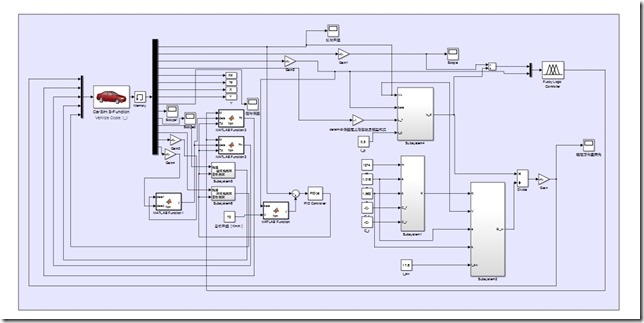
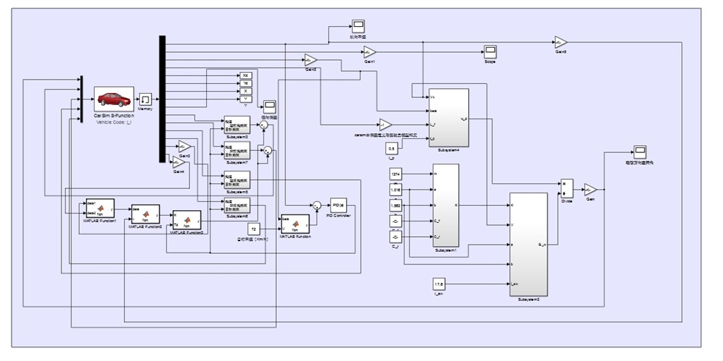
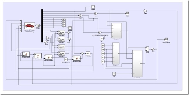
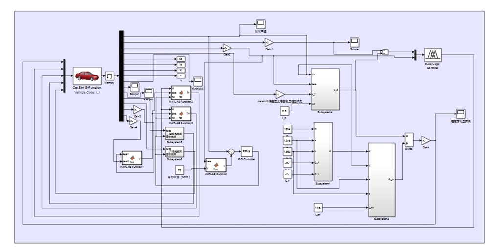
carsim与simulink联合仿真(3)——差动驱动
两轮独立驱动电动汽车控制策略。
分为低速和高速两种策略优化分配驱动力矩,低速基于阿克曼转向的差速控制,高速的分上下两层控制器,上层计算附加扭矩,下层进行分配。
路径跟踪,力矩分配,高低速双策略。
carsim和Simulink联合仿真,包含建模说明书。
有carsim的cpar文件导入即可使用
有simulink的mdl模型文件支持自己修改
有模型说明文件
包含高速和低速两种工况

YID:9480666867271221

21

posted on 2023-04-06 20:15  27699885  阅读(149)  评论(0)    收藏  举报