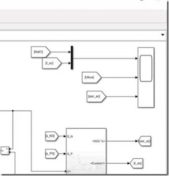
储能控制器,simulink仿真模型。
采用下垂控制实现蓄电池超级电容构成的混合储能功率分配、SOC均衡控制、考虑线路阻抗情况下提高电流分配精度控制、母线电压补控制。

1

YID:2580685477458200

posted on 2023-04-06 20:13  27699885  阅读(108)  评论(0)    收藏  举报