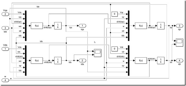
Three_Phase_Induction_Motor:基于MATLAB Simulink的三相感应电机动态数学建模仿真模型。
仿真条件:MATLAB Simulink R2015b

YID:5380650367252800

4123

posted on 2023-04-06 20:13  27699885  阅读(81)  评论(0)    收藏  举报