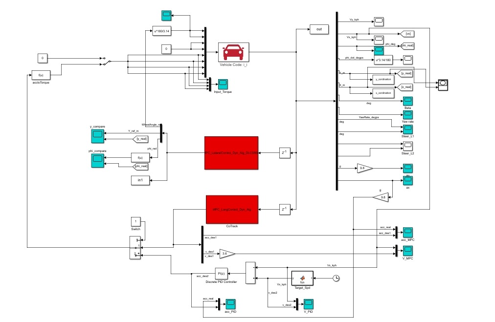
轨迹跟踪CarSimMATLAB联合仿真模型预测控制横纵向协同控制
【打包文件包括】
-CarSim车型文件.cpar
-MPC车速跟踪算法MPC_LongControl_Dyn_Alg.m
-MPC横向路径跟踪算法MPC_LateralControl_Dyn_Alg_DLC3888.m
-Simulink系统文件MPC_LateralControl_Dyn.slx
-自己录制的CarSimMATLAB联合仿真一步步操作流程

YID:5690680224219770

231

posted on 2023-04-06 19:01  27699885  阅读(66)  评论(0)    收藏  举报