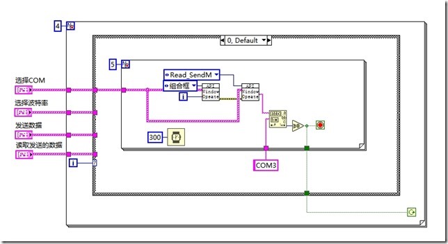
LabVIEW调用第三方exe软件或操作操作控制第三方软件界面的控件,如操控烧录软件等
除了模拟鼠标和键盘来实现之后,还可以考虑另外一种方式,使用窗口句柄来直接操作程序
如下面图片实例,操作串口助手,修改串口和波特率,并写入数据和读取数据
这种方式可以避免电脑的分辨率变化和位置移动等问题

YID:1699661300291648

4123

posted on 2023-04-06 18:30  27699885  阅读(230)  评论(0)    收藏  举报