LabVIEW网口网络通讯Delta台达PLC,ModbusTCP协议
官方协议,报文读取,安全稳定。
通讯配置,辅助测试。
PLC无需编写程序。
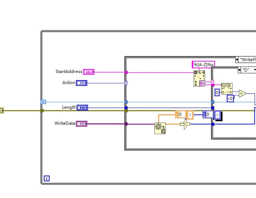
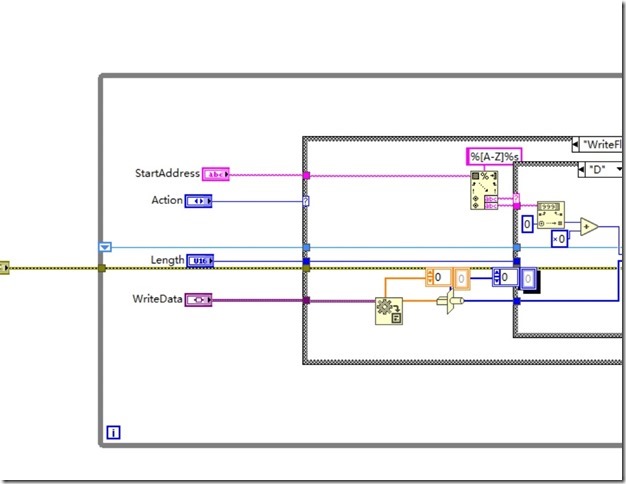
1.命令帧读写。
2.支持 I16 I32 Float 批量读写。
3.支持字符串读写。
4.支持XYMBool批量读写。
5.支持YM单点读写。
程序源码,命令帧文本编写,不调用dll,不安装插件,完胜OPC 等。

YID:9299672133158444

21

posted on 2023-04-06 17:56  27699885  阅读(141)  评论(0)    收藏  举报