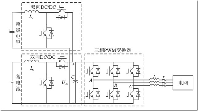
蓄电池与超级电容混合储能并网matlab simulink仿真模型,混合储能采用低通滤波器进行功率分配,可有效抑制功率波动,并对超级电容的soc进行能量管理,soc较高时多放电,较低时少放电,soc较低时状态与其相反。

YID:59100673657131490

7823456

posted on 2023-04-06 17:45  27699885  阅读(58)  评论(0)    收藏  举报