Matlab Simulink#直驱永磁风电机组并网仿真模型
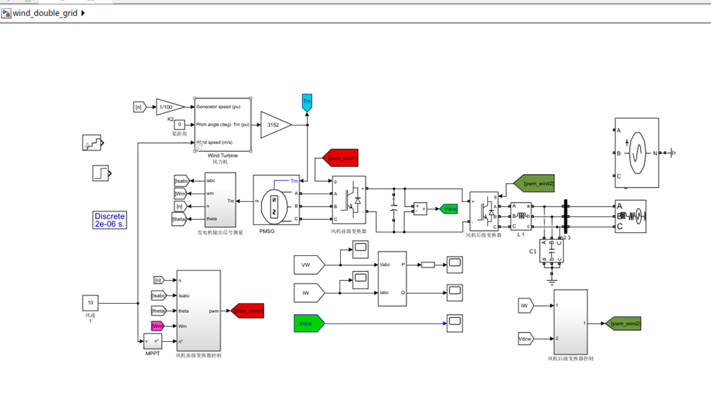
基于永磁直驱式风机并网仿真模型。
采用背靠背双PWM变流器,先整流,再逆变。
不仅实现电机侧的有功、无功功率的解耦控制和转速调节,而且能实现直流侧电压控制并稳定直流电压和网侧变换器有功、无功功率的解耦控制。
风速控制可以有线性变风速,或者恒定风速运行,对风力机进行建模仿真。
机侧变流器采用转速外环,电流内环的双闭环控制,实现无静差跟踪。
后级并网逆变器采用母线电压外环,并网电流内环控制,实现有功并网。
并网电流畸变率在2%左右。
附图仅部分波形图,可根据自己需求出图。
可用于自用仿真学习,附带对应的详细说明及控制策略实现的paper,便于理解学习。
模型完整无错,可塑性高,可根据自己的需求进行修改使用。
包含仿真文件和说明
YID:38139651177738591






浙公网安备 33010602011771号