会员
众包
新闻
博问
闪存
赞助商
HarmonyOS
Chat2DB
所有博客
当前博客
我的博客
我的园子
账号设置
会员中心
简洁模式
...
退出登录
注册
登录
judaima801
博客园
首页
新随笔
新文章
联系
管理
订阅
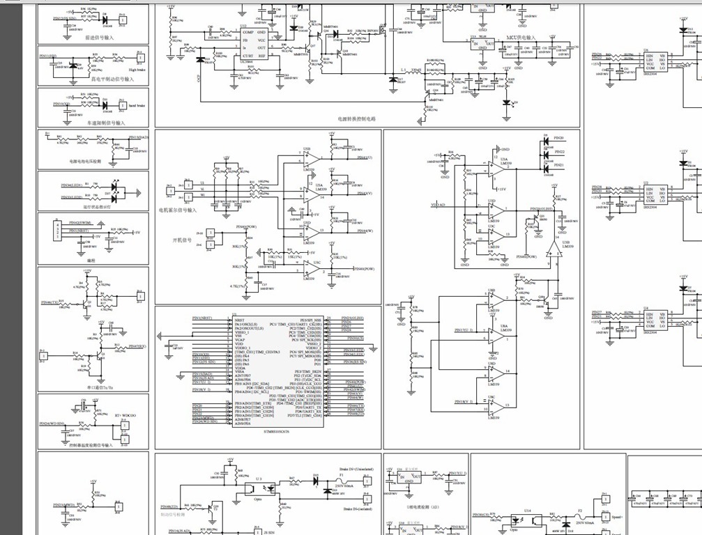
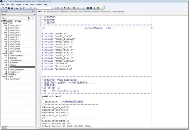
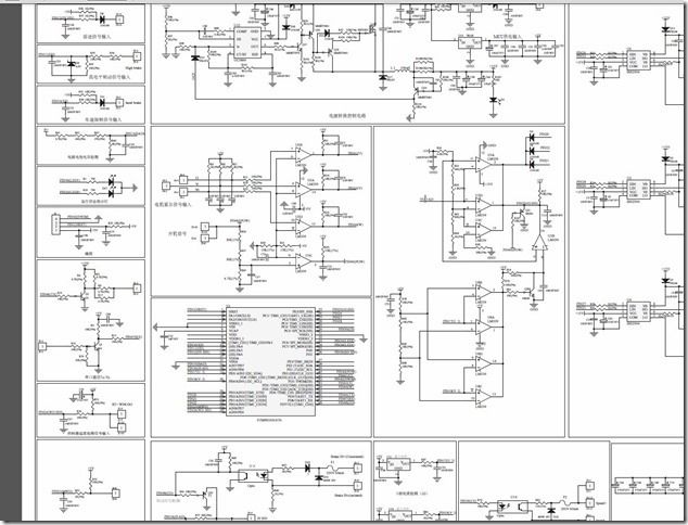
知名厂家电动四轮车控制器代码,包含PCB文件,pdf原理图
知名厂家电动四轮车控制器代码,包含PCB文件,pdf原理图,代码齐全,风格很好。
YID:51500
601364412523
posted on
2023-03-31 10:10
27699885
阅读(
135
) 评论(
0
)
收藏
举报
刷新页面
返回顶部
公告