STM32CUBEMX(5)--自定义红外NEC解码,定时器TIM捕获方式
概述
本篇文章主要介绍如何使用STM32CubeMX对红外波形进行解码,并通过串口打印。
硬件准备
首先需要准备一个开发板,这里我准备的是NUCLEO-F030R8的开发板:

选择芯片型号

配置时钟源
HSE与LSE分别为外部高速时钟和低速时钟,在本文中使用内置的时钟源,故都选择Disable选项,如下所示:
配置时钟树
STM32F0的最高主频到48M,所以配置48即可:

串口配置
本次实验使用的串口1进行串口通信,波特率配置为115200。

定时器配置
本次使用定时器1的通道2进行检测,配置入下。

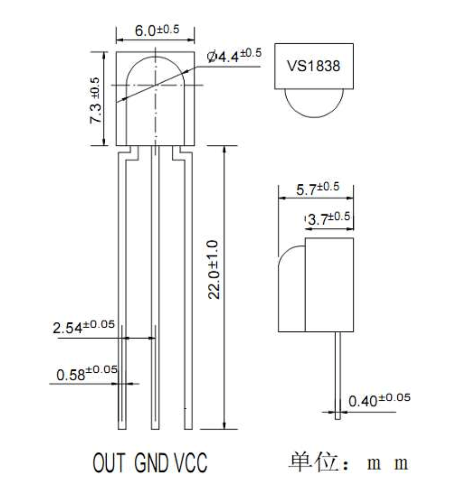
红外接收管
这里使用VS838的接收管,如下所示:

红外编码
NEC协议载波:38khz
其逻辑1与逻辑0的表示如图所示:

NEC协议格式:

自定义红外编码
协议如下:

代码
在main.c中,添加头文件,若不添加会出现 identifier “FILE” is undefined报错。
/* USER CODE BEGIN Includes */
#include "stdio.h"
/* USER CODE END Includes */
红外接收口定义
/* USER CODE BEGIN PTD */
#define IR_IN1 HAL_GPIO_ReadPin(GPIOA,GPIO_PIN_9)
/* USER CODE END PTD */
函数声明和串口重定向:
/* USER CODE BEGIN PFP */
#ifdef __GNUC__
#define PUTCHAR_PROTOTYPE int __io_putchar(int ch)
#else
#define PUTCHAR_PROTOTYPE int fputc(int ch, FILE *f)
#endif /* __GNUC__ */
PUTCHAR_PROTOTYPE
{
HAL_UART_Transmit(&huart1 , (uint8_t *)&ch, 1, 0xFFFF);
return ch;
}
/* USER CODE END PFP */
/* USER CODE BEGIN 0 */
uint32_t OrderData = 0;
uint8_t ReadyFlag = 0;
uint8_t OK = 0;
/* USER CODE END 0 */
定时器配置
/* USER CODE BEGIN 2 */
HAL_TIM_Base_Start_IT(&htim1);//启动定时器
HAL_TIM_IC_Start_IT(&htim1,TIM_CHANNEL_2);//函数用于使能定时器某一通道的输入捕获功能,并使能相应的中断
printf("IR Capture !! \r\n");
/* USER CODE END 2 *
红外接收代码
- [4400,5000]是用于捕获4.5ms的信号
- [550,700]是用于捕获560us的数据0信号
- [1100,1250]是用于捕获1120us的数据1信号
- [2000,2500]是用于捕获2240us的截止位信号
/* USER CODE BEGIN 4 */
// 捕获中断回调函数,每次捕获到信号就会进入这个回调函数
void HAL_TIM_IC_CaptureCallback(TIM_HandleTypeDef *htim)
{
uint32_t fallingCount = 0 ; // 下降沿计数
uint8_t temp = 0 ;
// 判断是否是定时器1的外部捕获口2
if(htim->Instance == TIM1)
{
// 捕获到了上升沿
if(IR_IN1)
{
__HAL_TIM_SET_CAPTUREPOLARITY(htim, TIM_CHANNEL_2, TIM_INPUTCHANNELPOLARITY_FALLING); // 改变捕获极性为下降沿捕获
__HAL_TIM_SET_COUNTER(htim, 0); // 计数清零,从头开始计
}
else
{
fallingCount = HAL_TIM_ReadCapturedValue(htim,TIM_CHANNEL_2); // 读取捕获计数,这个时间即为上升沿持续的时间
__HAL_TIM_SET_CAPTUREPOLARITY(htim, TIM_CHANNEL_2, TIM_INPUTCHANNELPOLARITY_RISING); // 改变捕获极性为上升沿捕获
if( ((fallingCount > 4400) && (fallingCount <5000)))
OK = 1;/// 4.5ms引导电平
else if (((fallingCount > 550) && (fallingCount < 700)))
{
temp = 0;//560 us,数据为0
}
else if (((fallingCount > 1100) && (fallingCount < 1250)))
{
temp = 1;//1120 us,数据为1
}
else if (ReadyFlag==0&& ((fallingCount > 2000) && (fallingCount < 2500))) //2.240ms截止码
{
ReadyFlag = 1 ;
OK = 0;
}
if(OK)
{
OrderData <<= 1 ;
OrderData += temp ;
KeyCount = 0; // 按键次数
}
}
}
}
/* USER CODE END 4 */
主函数
/* USER CODE BEGIN WHILE */
while (1)
{
/* USER CODE END WHILE */
/* USER CODE BEGIN 3 */
if(ReadyFlag)
{
printf("order=%08X , code=%d\r\n",OrderData,OrderData);
OrderData = 0;
OK = 0;
ReadyFlag = 0;
}
}
/* USER CODE END 3 */
结果演示
红外连续发送5次码值,发送分别为
- 1011(11)
- 11 1010(58)
- 11 0001(49)
- 11 1111(63)
- 11 0011(51)
分别如下所示:

教学视频
https://www.bilibili.com/video/BV1Yp4y1r7QX
最后
以上的代码会在Q群里分享。QQ群:615061293。
或者关注微信公众号『记贴』,持续更新文章和学习资料,可加作者的微信交流学习!


浙公网安备 33010602011771号