Altium Designer(2)-抄板以及绘制原理图
概述
Altium Designer 是原Protel软件开发商Altium公司推出的一体化的电子产品开发系统,主要运行在Windows操作系统。这套软件通过把原理图设计、电路仿真、PCB绘制编辑、拓扑逻辑自动布线、信号完整性分析和设计输出等技术的完美融合,为设计者提供了全新的设计解决方案,使设计者可以轻松进行设计,熟练使用这一软件使电路设计的质量和效率大大提高。
Altium Designer在工程开始的时候,都需要自行绘制元器件的原理图以及PCB封装。本章在同一schLib(元器件原理图库)里制作多个器件模型的简单介绍。
视频教学
https://www.bilibili.com/video/BV1og411T7jN?p=2
完整PCB工程下载
https://download.csdn.net/download/qq_24312945/85007945
硬件准备
首先需要准备一个开发板进行抄板,这里我准备的是arduino 328的开发板。

建立工程
在工程里选择右键工程->添加新的…到工程.->Schematic,则会新建一个原理图。

选择模板,在填写原理图信息,不然可能无法显示,根据自己的图纸大小选择合适的模板。例如原理图图纸是A4,那么模板选择A4。

Altium Designer可以对页面参数进行配置,其中就包含右下角的标题栏,其中包含有图片、标题、页码、时间等信息。

去除元器件&抄板绘制原理图
首先将一些大件的元器件通过焊笔取下来,之后慢慢将其他元器件取下,需要将取下的元器件用万用表进行测量,查看元器件阻值或者电容容值。
将所有的元器件取下来之后用砂纸进行打磨,这样更加容易查看电路板的线路。

在上章已经讲解了元件库的绘制,故可以直接使用。

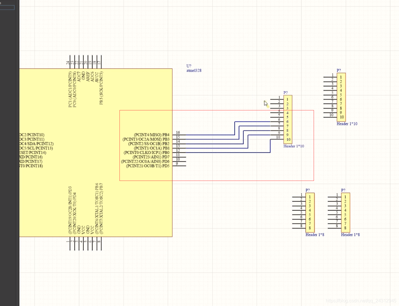
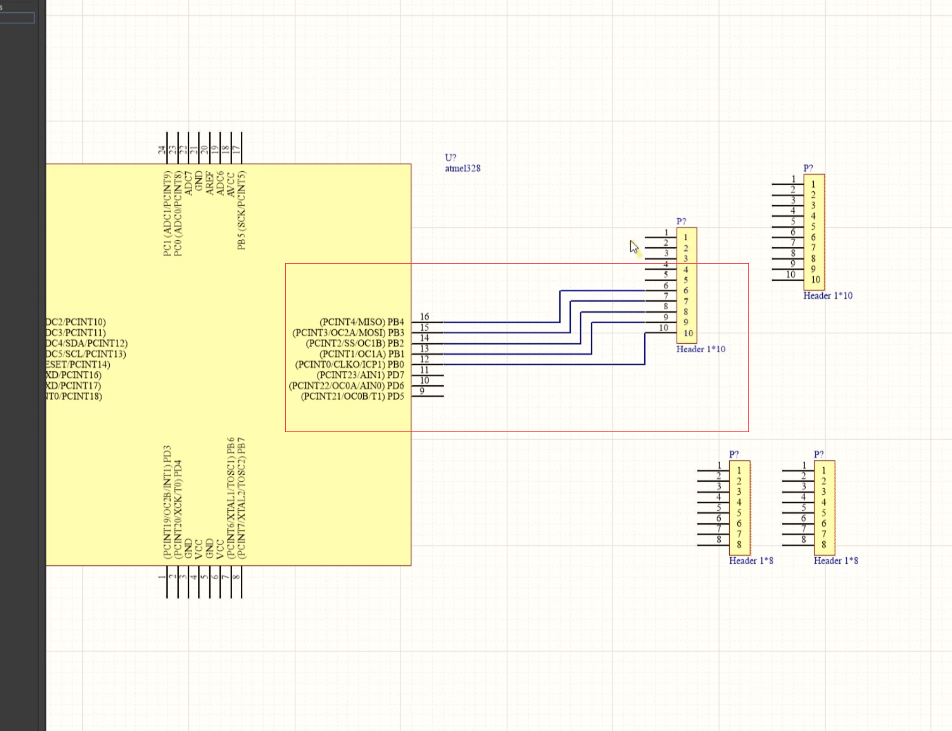
绘制原理图
在原理图上放置好元器件之后,需要根据电路要求对元器件进行连线,即电气连接。
电气连接主要有物理连接和逻辑连接,物理连接可以通过放置线进行链接,逻辑连接可以通过网络标签进行连接。

电气连接效果如下所示。

逻辑连接效果如下所示。

原理图器件标注
原理图器件在放置时候没有标注,可以通过软件自动生成,也可以通过手动编辑。
首先选择工具->标注->原理图标注。

软件自动标注原理图器件如下所示。

手动标注原理图器件,首先双击需要标注的器件,之后更改标注即可。

编译原理图工程
工程>>Compile PCB Project。

若有报错,如下图所示,可以通过修改报错来完善原理图。

若未弹出上图的报错,可以认为该原理图合理,无报错。
也可通过点击视图->面板->Messages来查看错误。

最后
以上的代码会在Q群里分享。QQ群:615061293。
或者关注微信公众号『记贴』,持续更新文章和学习资料,可加作者的微信交流学习!


浙公网安备 33010602011771号