瑞萨e2studio(9)----EXIT
瑞萨e2studio.9--EXIT
概述
本篇文章主要介绍如何使用e2studio对瑞萨单片机进行EXIT检测,之后通过按键形式以及灯的亮灭形式进行演示。
视频教学
听不到声音的请点击跳转进行观看。
https://www.bilibili.com/video/BV1p5411f7bT/
瑞萨e2studio(11)----EXIT
csdn付费课程
付费课程更加详细。
https://edu.csdn.net/course/detail/36131
硬件准备
首先需要准备一个开发板,这里我准备的是芯片型号R7FA4M2AD3CFP的开发板:

开发板购买链接
可以在微信小程序中进行购买。

新建工程

工程模板

保存工程路径

芯片配置
本文中使用R7FA4M2AD3CFP来进行演示。

工程模板选择

时钟配置
开发板上的外部高速晶振为12M,需要修改XTAL为12M.

外部中断接口
外部中断是单片机实时地处理外部事件的一种内部机制。当某种外部事件发生时,单片机的中断系统将迫使CPU暂停正在执行的程序,转而去进行中断事件的处理;中断处理完毕后.又返回被中断的程序处,继续执行下去。
查阅RA4M2说明也可以得知,有些管脚可能会共用一个通道。

EXIT
板子上有一个按键P104(IRQ1)和2个LED灯。
通过按键进行EXIT检测,通过按键形式以及灯的亮灭形式进行演示。

LED灯配置
LED灯的P301脚配置为输出。

EXIT配置
点击Stacks->New Stack->Driver->Input -> External IRQ Driver on r_icu 。

EXIT属性配置
EXIT属性配置如下。

触发方式如下所示。

工程文件
打开main.c函数,发现写了一个hal_entry ()函数。

打开hal_entry.c,可以看到在hal_entry函数内,注释着可以在这输入自己的代码。

R_ICU_ExternalIrqOpen()函数原型

R_ICU_ExternalIrqOpen()函数为配置用于外部中断接口的 IRQ 输入引脚,配置如下所示。
/* Configure the external interrupt. */
fsp_err_t err = R_ICU_ExternalIrqOpen(&g_external_irq1_ctrl, &g_external_irq1_cfg);
assert(FSP_SUCCESS == err);
R_ICU_ExternalIrqEnable()函数原型

R_ICU_ExternalIrqEnable()函数为在 NVIC 上为指定通道启用外部中断,配置如下所示。
/* Enable the external interrupt. */
/* Enable not required when used with ELC or DMAC. */
err = R_ICU_ExternalIrqEnable(&g_icu_ctrl);
assert(FSP_SUCCESS == err);
EXIT代码
#include "hal_data.h"
FSP_CPP_HEADER
void R_BSP_WarmStart(bsp_warm_start_event_t event);
FSP_CPP_FOOTER
bsp_io_level_t level = BSP_IO_LEVEL_LOW;
/* Callback function */
void exit1_callback(external_irq_callback_args_t *p_args)
{
/* TODO: add your own code here */
(void) p_args;
if(level)
R_IOPORT_PinWrite(&g_ioport_ctrl, BSP_IO_PORT_03_PIN_01, BSP_IO_LEVEL_HIGH);
else
R_IOPORT_PinWrite(&g_ioport_ctrl, BSP_IO_PORT_03_PIN_01, BSP_IO_LEVEL_LOW);
level=~ level;
}
void hal_entry(void)
{
/* TODO: add your own code here */
/* Configure the external interrupt. */
fsp_err_t err = R_ICU_ExternalIrqOpen(&g_external_irq1_ctrl, &g_external_irq1_cfg);
assert(FSP_SUCCESS == err);
/* Enable the external interrupt. */
/* Enable not required when used with ELC or DMAC. */
err = R_ICU_ExternalIrqEnable(&g_external_irq1_ctrl);
assert(FSP_SUCCESS == err);
while(1)
{
R_BSP_SoftwareDelay(10, BSP_DELAY_UNITS_MILLISECONDS); // NOLINT100->160
}
#if BSP_TZ_SECURE_BUILD
/* Enter non-secure code */
R_BSP_NonSecureEnter();
#endif
}
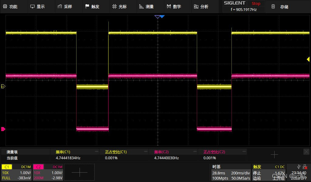
结果演示
黄色为按键波形,红色为LED输出波形。
Falling(下降沿)

Rising(上升沿)

Both Edges(双边)

Low Level(低电平)

最后
以上的代码会在Q群里分享。QQ群:615061293。
或者关注微信公众号『记帖』,持续更新文章和学习资料,可加作者的微信交流学习!


浙公网安备 33010602011771号