stm32 HSE HSI
2022-01-28 22:17 jym蒟蒻 阅读(260) 评论(0) 收藏 举报stm32 HSE HSI
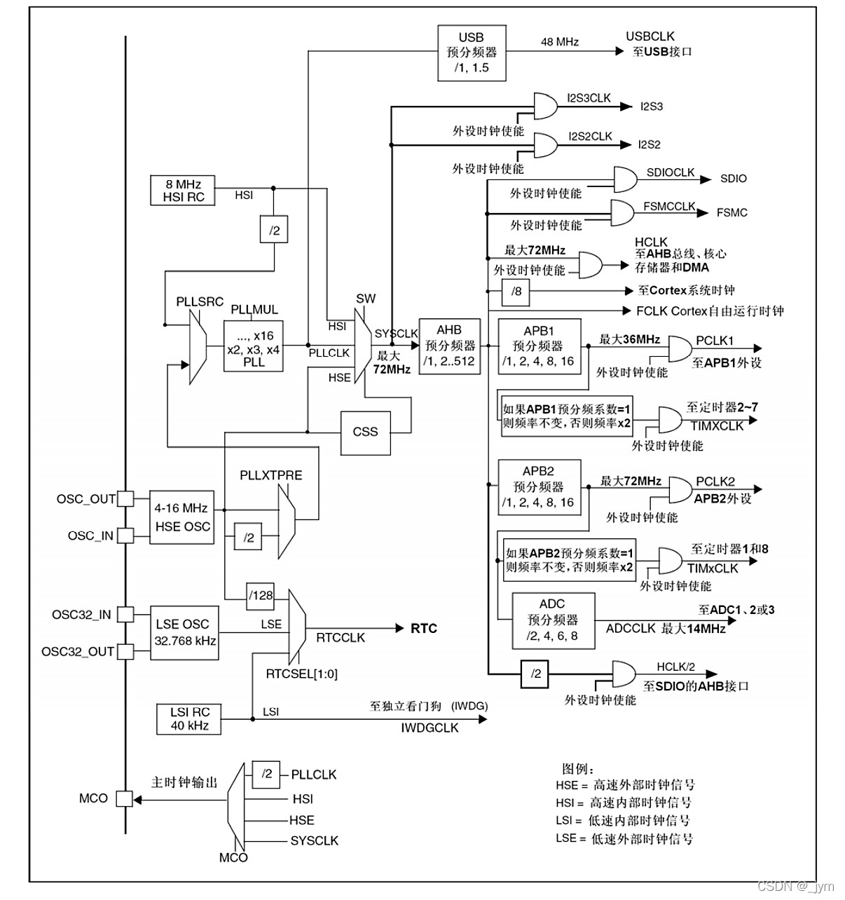
- 时钟树
- main.c
- clkconfig.h
- clkconfig.c

HSE_SetSysClock和HSI_SetSysClock这两个函数就是根据上面这个时钟树编写的。
这个实验是通过HSE或者HSI配置系统时钟,结果就是,用HSE比HSI灯闪的快点,因为代码设置的是使用HSE时,SYSCLK=72,而使用HSI时,SYSCLK=64。那个RCC_MCOConfig控制的是MCO,MCO也就是微控制器时钟输出引脚,可以通过示波器查看MCO引脚时钟输出来验证系统时钟配置情况,MCO的时钟来源可以是HSE,HSI,PLLCLK/2,SYSCLK。
/* 
 * 配置MCO引脚:PA8 对外提供时钟,最高频率不能超过IO口的翻转频率50MHZ
 * MCO 时钟来源可以是:PLLCLK/2 ,HSI,HSE,SYSCLK
 */
#include "stm32f10x.h"
#include "bsp_led.h"
#include "bsp_clkconfig.h"
#include "bsp_mcooutput.h"
//  软件延时函数,使用不同的系统时钟,延时不一样
void Delay(__IO u32 nCount); 
/**
  * @brief  主函数
  * @param  无  
  * @retval 无
  */
int main(void)
{	
	// 程序来到main函数之前,启动文件:statup_stm32f10x_hd.s已经调用
	// SystemInit()函数把系统时钟初始化成72MHZ
	// SystemInit()在system_stm32f10x.c中定义
	// 如果用户想修改系统时钟,可自行编写程序修改
	
	// 重新设置系统时钟,这时候可以选择使用HSE还是HSI
	
	// 使用HSE时,SYSCLK = 8M * RCC_PLLMul_x, x:[2,3,...16],最高是128M
	//HSE_SetSysClock(RCC_PLLMul_9);
	
	// 使用HSI时,SYSCLK = 4M * RCC_PLLMul_x, x:[2,3,...16],最高是64MH
	HSI_SetSysClock(RCC_PLLMul_16);
	
	// MCO 引脚初始化
	MCO_GPIO_Config();
	
	// 设置MCO引脚输出时钟,用示波器即可在PA8测量到输出的时钟信号,
	// 我们可以把PLLCLK/2作为MCO引脚的时钟来检测系统时钟是否配置准确
	// MCO引脚输出可以是HSE,HSI,PLLCLK/2,SYSCLK	
	//RCC_MCOConfig(RCC_MCO_HSE);	             	        
	//RCC_MCOConfig(RCC_MCO_HSI);	                   
	//RCC_MCOConfig(RCC_MCO_PLLCLK_Div2);    	
	RCC_MCOConfig(RCC_MCO_SYSCLK);		      
	
	// LED 端口初始化
	LED_GPIO_Config();
	while (1)
	{
		LED1( ON );			  // 亮
		Delay(0x0FFFFF);
		LED1( OFF );		  // 灭 
		Delay(0x0FFFFF);		
	}
}
//  软件延时函数,使用不同的系统时钟,延时不一样
void Delay(__IO uint32_t nCount)	
{
	for(; nCount != 0; nCount--);
}
/*********************************************END OF FILE**********************/
#ifndef __CLKCONFIG_H
#define	__CLKCONFIG_H
#include "stm32f10x.h"
void HSE_SetSysClock(uint32_t pllmul);
void HSI_SetSysClock(uint32_t pllmul);
#endif /* __CLKCONFIG_H */
#include "bsp_clkconfig.h"
#include "stm32f10x_rcc.h"
/*
 * 使用HSE时,设置系统时钟的步骤
 * 1、开启HSE ,并等待 HSE 稳定
 * 2、设置 AHB、APB2、APB1的预分频因子
 * 3、设置PLL的时钟来源,和PLL的倍频因子,设置各种频率主要就是在这里设置
 * 4、开启PLL,并等待PLL稳定
 * 5、把PLLCK切换为系统时钟SYSCLK
 * 6、读取时钟切换状态位,确保PLLCLK被选为系统时钟
 */
/* 设置 系统时钟:SYSCLK, AHB总线时钟:HCLK, APB2总线时钟:PCLK2, APB1总线时钟:PCLK1
 * PCLK2 = HCLK = SYSCLK
 * PCLK1 = HCLK/2,最高只能是36M
 * 参数说明:pllmul是PLL的倍频因子,在调用的时候可以是:RCC_PLLMul_x , x:[2,3,...16]
 * 举例:User_SetSysClock(RCC_PLLMul_9);  则设置系统时钟为:8MHZ * 9 = 72MHZ
 *       User_SetSysClock(RCC_PLLMul_16); 则设置系统时钟为:8MHZ * 16 = 128MHZ,超频慎用
 *
 * HSE作为时钟来源,经过PLL倍频作为系统时钟,这是通常的做法
 */
 
void HSE_SetSysClock(uint32_t pllmul)
{
	__IO uint32_t StartUpCounter = 0, HSEStartUpStatus = 0;
	// 把RCC外设初始化成复位状态,这句是必须的
  RCC_DeInit();
  //使能HSE,开启外部晶振,开发板用的是8M
  RCC_HSEConfig(RCC_HSE_ON);
  // 等待 HSE 启动稳定
  HSEStartUpStatus = RCC_WaitForHSEStartUp();
	
	// 只有 HSE 稳定之后则继续往下执行
  if (HSEStartUpStatus == SUCCESS)
  {
//----------------------------------------------------------------------//
    // 使能FLASH 预存取缓冲区
    FLASH_PrefetchBufferCmd(FLASH_PrefetchBuffer_Enable);
    // SYSCLK周期与闪存访问时间的比例设置,这里统一设置成2
		// 设置成2的时候,SYSCLK低于48M也可以工作,如果设置成0或者1的时候,
		// 如果配置的SYSCLK超出了范围的话,则会进入硬件错误,程序就死了
		// 0:0 < SYSCLK <= 24M
		// 1:24< SYSCLK <= 48M
		// 2:48< SYSCLK <= 72M
    FLASH_SetLatency(FLASH_Latency_2);
//----------------------------------------------------------------------//
 
    // AHB预分频因子设置为1分频,HCLK = SYSCLK 
    RCC_HCLKConfig(RCC_SYSCLK_Div1); 
  
    // APB2预分频因子设置为1分频,PCLK2 = HCLK
    RCC_PCLK2Config(RCC_HCLK_Div1); 
    // APB1预分频因子设置为1分频,PCLK1 = HCLK/2 
    RCC_PCLK1Config(RCC_HCLK_Div2);
		
//-----------------设置各种频率主要就是在这里设置-------------------//
    // 设置PLL时钟来源为HSE,设置PLL倍频因子
		// PLLCLK = 8MHz * pllmul
		RCC_PLLConfig(RCC_PLLSource_HSE_Div1, pllmul);
//------------------------------------------------------------------//
    // 开启PLL 
    RCC_PLLCmd(ENABLE);
    // 等待 PLL稳定
    while (RCC_GetFlagStatus(RCC_FLAG_PLLRDY) == RESET)
    {
    }
    // 当PLL稳定之后,把PLL时钟切换为系统时钟SYSCLK
    RCC_SYSCLKConfig(RCC_SYSCLKSource_PLLCLK);
    // 读取时钟切换状态位,确保PLLCLK被选为系统时钟
    while (RCC_GetSYSCLKSource() != 0x08)
    {
    }
  }
  else
  { // 如果HSE开启失败,那么程序就会来到这里,用户可在这里添加出错的代码处理
		// 当HSE开启失败或者故障的时候,单片机会自动把HSI设置为系统时钟,
		// HSI是内部的高速时钟,8MHZ
    while (1)
    {
    }
  }
}
/*
 * 使用HSI时,设置系统时钟的步骤
 * 1、开启HSI ,并等待 HSI 稳定
 * 2、设置 AHB、APB2、APB1的预分频因子
 * 3、设置PLL的时钟来源,和PLL的倍频因子,设置各种频率主要就是在这里设置
 * 4、开启PLL,并等待PLL稳定
 * 5、把PLLCK切换为系统时钟SYSCLK
 * 6、读取时钟切换状态位,确保PLLCLK被选为系统时钟
 */
/* 设置 系统时钟:SYSCLK, AHB总线时钟:HCLK, APB2总线时钟:PCLK2, APB1总线时钟:PCLK1
 * PCLK2 = HCLK = SYSCLK
 * PCLK1 = HCLK/2,最高只能是36M
 * 参数说明:pllmul是PLL的倍频因子,在调用的时候可以是:RCC_PLLMul_x , x:[2,3,...16]
 * 举例:HSI_SetSysClock(RCC_PLLMul_9);  则设置系统时钟为:4MHZ * 9 = 36MHZ
 *       HSI_SetSysClock(RCC_PLLMul_16); 则设置系统时钟为:4MHZ * 16 = 64MHZ
 *
 * HSI作为时钟来源,经过PLL倍频作为系统时钟,这是在HSE故障的时候才使用的方法
 * HSI会因为温度等原因会有漂移,不稳定,一般不会用HSI作为时钟来源,除非是迫不得已的情况
 * 如果HSI要作为PLL时钟的来源的话,必须二分频之后才可以,即HSI/2,而PLL倍频因子最大只能是16
 * 所以当使用HSI的时候,SYSCLK最大只能是4M*16=64M
 */
void HSI_SetSysClock(uint32_t pllmul)
{
	__IO uint32_t HSIStartUpStatus = 0;
	// 把RCC外设初始化成复位状态,这句是必须的
  RCC_DeInit();
  //使能HSI
	RCC_HSICmd(ENABLE);
	
  // 等待 HSI 就绪
	HSIStartUpStatus = RCC->CR & RCC_CR_HSIRDY;
	
	// 只有 HSI就绪之后则继续往下执行
  if (HSIStartUpStatus == RCC_CR_HSIRDY)
  {
//----------------------------------------------------------------------//
    // 使能FLASH 预存取缓冲区
    FLASH_PrefetchBufferCmd(FLASH_PrefetchBuffer_Enable);
    // SYSCLK周期与闪存访问时间的比例设置,这里统一设置成2
		// 设置成2的时候,SYSCLK低于48M也可以工作,如果设置成0或者1的时候,
		// 如果配置的SYSCLK超出了范围的话,则会进入硬件错误,程序就死了
		// 0:0 < SYSCLK <= 24M
		// 1:24< SYSCLK <= 48M
		// 2:48< SYSCLK <= 72M
    FLASH_SetLatency(FLASH_Latency_2);
//----------------------------------------------------------------------//
 
    // AHB预分频因子设置为1分频,HCLK = SYSCLK 
    RCC_HCLKConfig(RCC_SYSCLK_Div1); 
  
    // APB2预分频因子设置为1分频,PCLK2 = HCLK
    RCC_PCLK2Config(RCC_HCLK_Div1); 
    // APB1预分频因子设置为1分频,PCLK1 = HCLK/2 
    RCC_PCLK1Config(RCC_HCLK_Div2);
		
//-----------------设置各种频率主要就是在这里设置-------------------//
    // 设置PLL时钟来源为HSE,设置PLL倍频因子
		// PLLCLK = 4MHz * pllmul
		RCC_PLLConfig(RCC_PLLSource_HSI_Div2, pllmul);
//------------------------------------------------------------------//
    // 开启PLL 
    RCC_PLLCmd(ENABLE);
    // 等待 PLL稳定
    while (RCC_GetFlagStatus(RCC_FLAG_PLLRDY) == RESET)
    {
    }
    // 当PLL稳定之后,把PLL时钟切换为系统时钟SYSCLK
    RCC_SYSCLKConfig(RCC_SYSCLKSource_PLLCLK);
    // 读取时钟切换状态位,确保PLLCLK被选为系统时钟
    while (RCC_GetSYSCLKSource() != 0x08)
    {
    }
  }
  else
  { // 如果HSI开启失败,那么程序就会来到这里,用户可在这里添加出错的代码处理
		// 当HSE开启失败或者故障的时候,单片机会自动把HSI设置为系统时钟,
		// HSI是内部的高速时钟,8MHZ
    while (1 
                    
                     
                    
                