双极结型三极管的结构、特性、参数
2022-01-28 21:53 jym蒟蒻 阅读(2051) 评论(0) 收藏 举报双极结型三极管的结构、特性、参数
- 本文介绍的定义
- 一、三极管结构
- 二、三极管特性曲线
- 三、三极管参数
硅平面管、锗合金管、发射区、基区,集电区、发射极、基极、集电极、发射结、集电结、发射、发射极电流、复合和扩散、基极电流、收集、集电极电流、反向饱和电流、共基直流电流放大系数、共射直流电流放大系数、穿透电流、输入特性、输出特性、截止区、放大区、饱和区、共射接法、共射电流放大系数、共射直流电流放大系数、共基接法、共基电流放大系数、共基直流电流放大系数、共基和共射的放大系数的关系、反向饱和电流测量电路、集电极和基极之间的反向饱和电流、集电极和发射机之间的穿透电流、集电极最大允许电流、集电极最大允许耗散功率、级间反向击穿电压。
硅平面管:N型硅片氧化膜上光刻一个窗口,将硼杂质扩散,形成P型基区,再在P区光刻一个窗口,将磷杂质扩散,形成N型发射区。引出三个电极,发射机e,基极b,集电极c。
锗合金管:N型锗片,两边各置一小铟球,加热,高于铟熔点,低于锗熔点,铟融化。冷却后,N型区两侧形成P型区。

无论NPN还是PNP,内部均有三个区。发射区、基区,集电区。引出三个极,发射极、基极、集电极。三个区两两交界处,形成两个PN结,发射结、集电结。
示意图与符号:

如果让两个二极管背靠背串联,并不能实现放大作用,因为,三极管实现放大作用需要满足如下条件:
1.发射区高掺杂,多数载流子浓度高。如果是NPN型三极管,发射区是N型,电子浓度高。
2.基区很薄,掺杂浓度比较低。如果是NPN型三极管,基区是P型,空穴比较少。
3.外加电源极性应使发射结正向偏置,集电结反向偏置。
满足以上内部外部条件,以NPN为例讨论三极管中载流子运动:

发射:发射结正偏,外加电场有利于多子电子扩散,电子从发射区越过发射结到达基区形成电流。基区多子空穴向发射区扩散形成空穴电流,这两个电流总和是发射极电流Ie,发射极电流主要由发射区发射的电子电流产生,因为基区多子浓度比发射区多子浓度低。
复合和扩散:电子到基区,基区是P型,基区多子是空穴,电子空穴复合,产生基极电流Ibn。基区复合掉空穴,外电源补充来。基区空穴浓度低,基区薄,电子在基区与空穴复合的少,基极电流比发射极电流小,多数电子在基区继续扩散,到达集电结。
收集:集电结反偏,外电场阻止集电区多子电子向基区移动,有利于基区扩散来的电子收集到集电极,形成集电极电流Icn。集电区少子空穴与基区少子电子进行漂移运动形成反向饱和电流Icbo。
集电极电流:

发射极电流:

共基直流电流放大系数:基极电流Ibn很小,所以三极管共基直流电流放大系数一般0.95-0.99,近似等于集电极电流比上发射极电流。

共射直流电流放大系数:约为几十-几百。

穿透电流Iceo:穿透电流Iceo远小于Ic时,可将Iceo忽略。


NPN三极管共射输入特性曲线:

输入特性:三极管uce不变,输入回路电流Ib和电压Ube之间的关系曲线称为输入特性。
Uce=0时,基极与发射极相当于两个PN结并联,三极管输入特性相当于二极管正向伏安特性。
Uce>0时,发射区扩散到基区的电子有利于被收集到集电极,只有一小部分发射区发射的电子在基区和空穴复合成为Ib。和Uce=0相比,相同Ube,Ib将变小,因此输入特性将右移。Uce持续增大,不同Uce的输入特性曲线几乎重叠到一起。
NPN三极管共射输出特性曲线:

输出特性:Ib不变,三极管输出回路电流Ic与电压Uce之间的关系曲线称为输出特性。
截止区:Ib<=0的区域。管子各极电流基本上都为零。截止区,三极管的发射结和集电结都处于反向偏置状态,对NPN来说,Ube<0,Ubc<0 。
放大区:Ib一定时,Ic值基本上不随Uce变化,Ib有一个微小变化时,Ic将产生一个较大变化。说明三极管具有电流放大作用。放大区,三极管发射结正偏,集电结反偏,对NPN来说,Ube>0,Ubc<0 。
饱和区:图像中,曲线的上升部分。不同Ib值的各条特性曲线重叠一起,饱和区,三极管失去放大作用。饱和区,三极管管压降Uce很小,Uce<Ube。饱和区,三极管的发射结和集电结都处于正向偏置状态,对NPN来说,Ube>0,Ubc>0 。
共射接法:输入回路和输出回路公共端是发射极。

共射电流放大系数:变化量之比。

共射直流电流放大系数:直流量之比

共基接法:输入回路和输出回路公共端是基极。

共基电流放大系数:

共基直流电流放大系数:

共基和共射的放大系数的关系:

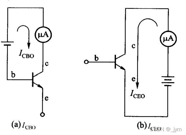
反向饱和电流测量电路:

集电极和基极之间的反向饱和电流Icbo:发射极e开路时,集电极和基极的反向电流。锗几微安-几十微安;硅更小。
集电极和发射机之间的穿透电流Iceo:基极b开路时,集电极和发射极之间的电流。
两者关系:这两个反向电流值越小,三极管越好。

集电极最大允许电流Icm:集电极电流过大,三极管共射电流放大系数减小,Ic=Icm,管子的共射电流放大系数降到原来的三分之二。
集电极最大允许耗散功率Pcm:管子两端压降Uce,集电极流过电流Ic,损耗功率Pc=IcUce。IcUce乘积等于规定的Pcm值的各点连接起来得到一条线,如下图。

级间反向击穿电压:外加在三极管各电极之间的最大允许反向电压。
Uceo:基极开路时,集电极和发射极之间的反向击穿电压。
Ucbo:发射机开路时,集电极和基极之间的反向击穿电压。
浙公网安备 33010602011771号