【深入浅出玩转FPGA】学习笔记_设计技巧
一、基本语法
(一)可综合的Verilog语法子集
硬件设计的精髓是力求用最简单的语句描述最复杂的硬件。
常用的RTL语法结构:
模块声明:module……endmodule。
端口声明:input,output,inout。
信号类型:wire,reg(最常用);tri,integer(一般用在测试脚本里)。
参数定义:parameter。
运算操作符:大多数逻辑操作符、移位操作符、算术操作符都是可综合的(===与!==是不可综合的)。
比较判断:if……else,case(casex,casez)……default……endcase。
连续赋值:assign,问号表达式(?:)。
always模块:敏感列表可以是电平、沿信号posedge/negedge。
begin……end。
任务定义:task……endtask。
循环语句:for
赋值信号:=和<=
(二)if……else与case语句分析
if……else和case语句实现的结构到底是怎样还是要看开发工具,具体问题具体分析,不能片面强调谁好谁坏。
具体逻辑具体分析,如果你要表达的是同一个逻辑问题,那么if……else和case只不过是形式上的不同。综合工具的优化能力足够强的话,就能看穿这个形式上的不同,实现逻辑上的相同。
(三)for语句
for语句可综合,但是在RTL级的代码中基本不用。一方面因为for语句的使用很占用硬件资源,另一方面是因为在设计中往往采用时序逻辑设计,用到for循环的地方不多。
例:在一个时钟周期内计算13路脉冲信号为高电平的个数
module test(clk,rst_n,data,num); input clk; input rst_n; input [12:0] data; output [15:0] num; reg [3:0] i; reg [15:0] num; always @(posedge clk)begin if(!rst_n)begin num <= 0; end else begin for(i=0;i<13;i=i+1) if(data[i]) num <= num + 1; end end endmodule
发现每个时钟周期for循环只执行一次 num<=num+1。
因为always语句中使用非阻塞赋值时,是在always结束后才把值赋给左边的寄存器。
修改成阻塞赋值可解决问题。
for语句综合的效率不高,在对速度要求不高的前提下,还是宁愿用多个时钟周期去实现也不用for语句。同时时序逻辑里多用非阻塞赋值语句,修改之后的代码风格其实是不可取的。
硬件语言不能像C语言一样片面的追求代码的简捷。
(四)inout用法
需要考虑到inout端口同时作为输入输出口的冲突问题。
| 驱动源 | 0 | 1 | X | Z |
| 0 | 0 | X | X | 0 |
| 1 | X | 1 | X | 1 |
| X | X | X | X | X |
| Z | 0 | 1 | X | Z |
当inout端口作为输入口使用时,一定要把它置为高阻态。
inout io_data; //inout口 reg out_data; //需要输出的数据 reg io_link; //inout口方向控制 assign io_data = io_link ? out_data:1'bz; //关键
(五)探讨4输入LUT
大多数FPGA是基于4输入LUT的结构。
例1:4输入与
input clk; input a,b,c,d; output reg dout; always @(posedge clk) dout <= a & b & c & d;
综合后:用了FPGA内部一个4输入的LUT和一个触发器

例2:5输入与
input clk; input a,b,c,d,e; output reg dout; always @(posedge clk) dout <= a & b & c & d & e;
综合后:用了FPGA内部两个4输入的LUT和一个触发器
还有两个闲置的输入能否利用起来?
例3:
input clk; input a,b,c,d,e; input f,g; output reg dout; output reg fout; always @(posedge clk)begin dout <= a & b & c & d & e; fout <= f | g; end
综合后:用了FPGA内部三个4输入的LUT和两个触发器

因此,在一个组合逻辑中没有用完的LUT是无法被其他逻辑复用的。
二、状态机设计
(一)状态机的基本概念
通过不同的状态迁移来完成一些特定的顺序逻辑,即分多个时间完成一个任务。
构成状态机的基本要素是状态机的输入、输出和状态。
Moore型状态机的状态变化仅和当前状态有关,而与输入条件无关;Mealy型状态机的状态变化不仅和当前状态有关,还取决于当前的输入条件。
(二)三种不同的状态机写法
1、两段式状态机
reg [3:0] cstate; reg [3:0] nstate; always @(posedge clk or negedge rst_n) begin if(!rst_n) cstate <= IDLE; else cstate <= nstate; end always @(cstate or wr_req or rd_req) begin case(cstate) IDLE: if(wr_req)begin nstate = WR_S1; cmd = 3'b011; end else if(rd_req) begin nstate = RD_S1; cmd = 3'b011; end else begin nstate = IDLE; cmd = 3'b111; end WR_S1: begin nstate = WR_S2; cmd = 3'b101; end WR_S2: begin nstate = IDLE; cmd = 3'b111; end RD_S1: if(wr_req) begin nstate = WR_S2; cmd = 3'b101; end else begin nstate = RD_S2; cmd = 3'b110; end RD_S2: if(wr_req) begin nstate = WR_S1; cmd = 3'b011; end else begin nstate = IDLE; cmd = 3'b111; end default:nstate = IDLE; endcase end
2、三段式状态机
reg [3:0] cstate; reg [3:0] nstate; always @(posedge clk or negedge rst_n) begin if(!rst_n) cstate <= IDLE; else cstate <= nstate; end always @(cstate or wr_req or rd_req) begin case(cstate) IDLE: if(wr_req) nstate = WR_S1; else if(rd_req) nstate = RD_S1; else nstate = IDLE; WR_S1: nstate = WR_S2; WR_S2: nstate = IDLE; RD_S1: if(wr_req) nstate = WR_S2; else nstate = RD_S2; RD_S2: if(wr_req) nstate = WR_S1; else nstate = IDLE; default:nstate = IDLE; endcase end always @(posedge clk or negedge rst_n) begin case(nstate) IDLE: if(wr_req) cmd <= 3'b011; else if(rd_req) cmd <= 3'b011; else cmd <= 3'b111; WR_S1: cmd <= 3'b101; WR_S2: cmd <= 3'b111; RD_S1: if(wr_req) cmd <= 3'b101; else cmd <= 3'b110; RD_S2: if(wr_req) cmd <= 3'b011; else cmd <= 3'b111; default: endcase end
二段式把时序逻辑和组合逻辑分开来,时序逻辑里进行当前状态和下一状态的切换,组合逻辑里实现各个输入、输出以及状态判断。易维护,但组合逻辑输出容易产生毛刺。
三段式较为推荐,时序逻辑的输出解决了两段式写法中组合逻辑的毛刺问题,但较之两段式,三段式资源消耗多一些;另外,三段式从输入到输出会比两段式延时一个时钟周期。
三、复位设计
(一)异步复位与同步复位
1、异步复位
异步复位,指复位信号和系统时钟信号的触发可以在任何时刻,二者相互独立。
always @(posedge clk or negedge rst_n) if(!rst_n) b <= 1'b0; else b <= a;
综合后,可知寄存器存在一个异步的清零端(CLR),在异步复位的设计中,这个端口一般接低电平有效的复位信号rst_n,即使设计中是高电平复位,实际综合后也会把异步复位信号反向后接到这个CLR端。

2、同步复位
always @(posedge clk) if(!rst_n) b <= 1'b0; else b <= a;
综合后,可知同步复位没有用到寄存器的CLR端口,综合出来的实际电路只是把复位信号rst_n作为输入逻辑的使能信号。这必然会额外增加FPGA内部的资源消耗。
总结:两种方式各有优缺点。FPGA的寄存器有支持异步复位专用的端口,采用异步复位无需增加器件的额外资源,但是异步复位也存在隐患,即异步时钟域的亚稳态问题存在于异步复位信号和系统时钟信号之间。同步复位在时钟信号clk的上升沿触发时进行系统是否复位的判断,这降低了亚稳态出现的概率(但不能完全避免),缺点就是增加了器件资源,无法利用已有的复位端口CLR。
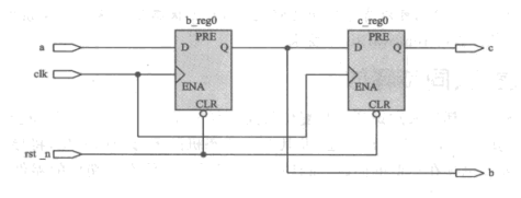
3、异步复位存在隐患
always @(posedge clk or negedge rst_n) if(!rst_n) b <= 1'b0; else b <= a; always @(posedge clk or negedge rst_n) if(!rst_n) c <= 1'b0; else c <= b;
综合出来电路图:

问题在于:不能确定复位信号rst_n会在什么时候结束。
如果复位信号结束于b_reg0和c_reg0的{latch edge - setup time,latch edge + hold time}时间之外,一切正常。
但如果复位信号的撤销(由低电平变为高电平)出现在clk锁存信号的建立时间或者保持时间内,此时clk检测到rst_n的状态就会是一个亚稳态(不确定是0还是1)。b_reg0和c_reg0如果出现一个复位一个跳出复位,那么就会造成系统工作不同步的问题。
(二)复位与亚稳态
亚稳态对一个寄存器的影响相对小一些,但是对于诸如总线式的寄存器受到的影响就很大了。
(三)异步复位、同步释放
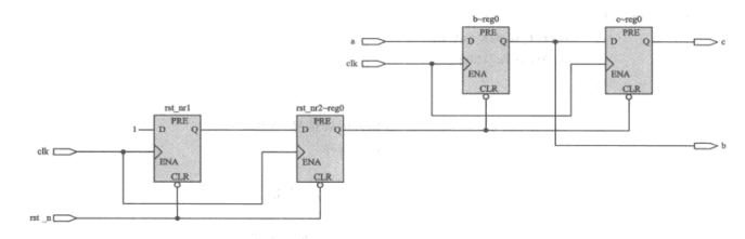
该电路由两个同一时钟沿触发的层叠寄存器组成,该时钟必须和目标寄存器是一个时钟域。
input clk; //系统时钟信号 input rst_n; //输入复位信号,低有效 output rst_nr2; //异步复位、同步释放输出 reg rst_nr1,rst_nr2; //两级层叠复位产生,低电平复位 always @(posedge clk or negedge rst_n) begin if(!rst_n) rst_nr1 <= 1'b0; else rst_nr1 <= 1'b1; //给一个确定的值1'b1,不会出现亚稳态 end always @(posedge clk or negedge rst_n) begin if(!rst_n) rst_nr2 <= 1'b0; else rst_nr2 <= rst_nr1; end
实现的电路图:

既解决了同步复位的资源消耗问题,又解决了异步复位的亚稳态问题。
根本思想:异步信号同步化
应用到上述例子,可以得到新的电路图:

这就得到了稳定复位信号。
(四)PLL配置后的复位设计
在系统复位后、PLL时钟输出前,即系统工作时钟不确定的情况下,应怎么考虑这个复位的问题呢?
可以这样解决:先用FPGA的外部输入时钟clk将FPGA的输入复位信号rst_n做异步复位、同步释放处理,然后这个复位信号输入PLL,同时clk也输入PLL。设计初衷是在PLL输出时钟有效前,系统的其他部分都保持复位状态。PLL的输出locked信号在PLL有效输出之前一直是低电平,PLL输出稳定有效之后才会拉高该信号,所以这里就把FPGA外部输入复位信号rst_n和这个locked信号相与作为整个系统的复位信号。同时,这个复位信号也需要让合适的PLL输出时钟异步复位、同步释放处理一下。总的来说,为了达到可靠稳定的复位信号,该设计中对复位信号进行了两次处理,分别在PLL输出前和PLL输出后。

module sys_ctrl( clk,rst_n,sys_rst_n, clk_25m,clk_100m ); input clk; //FPGA输入时钟信号25MHz input rst_n; //系统复位信号 output sys_rst_n; //系统复位信号,低有效 output clk_25m; //PLL输出25MHz时钟频率 output clk_100m; //PLL输出100MHz时钟频率 wire locked; //PLL输出有效标志位,高表示PLL输出有效 //—————————————————————————————————————————————————————————————— //PLL复位信号产生,高有效 //异步复位,同步释放 wire pll_rst; //PLL复位信号,高有效 reg rst_r1,rst_r2; always @(posedge clk or negedge rst_n) begin if(!rst_n) rst_r1 <= 1'b1; else rst_r1 <= 1'b0; always @(posedge clk or negedge rst_n) begin if(!rst_n) rst_r2 <= 1'b1; else rst_r2 <= rst_r1; end assign pll_rst = rst_r2 //—————————————————————————————————————————————————————————————— //系统复位信号产生,低有效 //异步复位,同步释放 wire sys_rst_n; //系统复位信号,低有效 wire sysrst_nr0; reg sysrst_nr1,sysrst_nr2; assign sysrst_nr0 = rst_n & locked; //系统复位直到PLL有效输出 always @(posedge clk_100m or negedge sysrst_nr0) begin if(!sysrst_nr0) sysrst_nr1 <= 1'b0; else sysrst_nr1 <= 1'b1; always @(posedge clk_100m or negedge sysrst_nr0) begin if(!sysrst_nr0) sysrst_nr2 <= 1'b0; else sysrst_nr2 <= sysrst_nr1; end assign sys_rst_n = sysrst_nr2; //—————————————————————————————————————————————————————————————— //例化PLL产生模块 PLL_ctrl uut_PLL_ctrl( .areset(pll_rst), //PLL复位信号,高电平复位 .inclk(clk), //PLL输入时钟,25MHz .c0(clk_25m), //PLL输出25MHz时钟频率 .c1(clk_100m), //PLL输出100MHz时钟频率 .locked(locked) //PLL输出有效标志位,高电平表示PLL输出有效 ); endmodule
四、FPGA重要设计思想及工程应用
(一)速度和面积互换原则
速度:整个工程稳定运行所能达到的最高时钟频率;
面积:通过一个工程运行所消耗的触发器(FF)、查找表(LUT)数量或者等效门数量来衡量。
从系统设计的角度阐释速度和面积的互换原则:

这很好的利用了FPGA的并行性。
(二)乒乓操作及串/并转换设计
1、乒乓操作:主要用于数据流处理

数据缓冲模块可以是任何存储模块,常用的有双口RAM、SRAM、SDRAM、FIFO等。
第一个缓冲周期:输入的数据流缓存到“数据缓冲1”模块。
第二个缓冲周期:“输入数据选择控制”模块将输入的数据流缓存到“数据缓冲2”模块的同时,“输出数据选择控制”模块将“数据缓冲1”模块第一个周期缓存的数据流送到“后续处理”模块。
第三个缓冲周期:“输入数据选择控制”模块切换使输入的数据流缓存到“数据缓冲1”模块,同时,“输出数据选择控制”模块切换使“数据缓冲2”模块缓存的第二个周期的数据送到“后续处理”模块。
如此不断循环。
乒乓操作可以实现数据的无缝缓冲与处理。
2、串/并转换:高速数据流处理
根据数据的顺序与数量的要求,串并转换可以选用寄存器、双口RAM、SRAM、SDRAM、FIFO等实现。对于数量比较小的设计可以采用移位寄存器完成串并转换。

移位一般需要时钟做同步的,即n个时钟采样到的串行数据需要在n个时钟周期后以并行的方式输出,这是最基本的串入并出的设计思想。
例1:串转并
使用寄存器cnt,每来一个数cnt即加1,同时以cnt作为索引放入对应位置的寄存器中,当加到符合要求的数值后就将寄存器中的数值输出。
module serial_parallel( input clk, input rst_n, input data_i, output reg [7:0] data_o ); reg [2:0] cnt; always @(posedge clk or negedge rst_n) begin if(rst_n == 1'b0) begin data_o <= 8'b0; cnt <= 3'b0; end else begin data_o[7 - cnt] <= data_i; //高位先赋值 cnt <= cnt + 1'b1; end end endmodule
另外一种思路是使用移位寄存器,即每存储一个数据后即进行移位,将空的部分准备好存储下一个数据。
module serial_parallel( input clk, input rst_n, input en, input data_i, output reg [7:0] data_o ); always @(posedge clk or negedge rst_n) begin if(rst_n == 1'b0) begin data_o <= 8'b0; end else if(en == 1'b1) begin data_o <= {data_o[6:0],data_i}; end else data_o <=data_o; end endmodule
例2:并转串
module parallel_serial( input clk, input rst_n, input en, input [7:0] data_i, output data_o ); reg [7:0] data_buf; always @(posedge clk or negedge rst_n) begin if(rst_n == 1'b0) begin data_o <=1'b0; data_buf <= 8'b0; end else if (en == 1'b1) data_buf <= data_i; else data_buf <= data_buf << 1; end assign data_o = data_buf[7]; endmodule
(三)流水线设计
可提高系统频率,常用于高速信号处理领域。
若某个设计可以分为若干步骤进行处理,而且整个数据处理过程是单向的,即没有反馈运算或者迭代运算、前一个步骤的输出即是下一个步骤的输入,就可以采用流水线设计方法来提高系统的工作频率。

典型的流水线设计是将原本一个时钟周期完成的较大的组合逻辑通过合理的切割后分为由多个时钟周期完成。因此,该部分逻辑运行的时钟频率会有明显的提升,尤其当它是一条关键路径,采用流水线设计后整个系统的性能都会得到提升。具体流水线实现可参见下图:

(四)逻辑复制与模块复用
1、逻辑复制
逻辑复制是一种通过增加面积来改善时序条件的优化手段,最主要的应用是调整信号的扇出。
如果某个信号需要驱动的后级逻辑信号很多,即扇出非常大,那么为了增加这个信号的驱动能力,就必须插入很多级的Buffer,也就在一定程度上增加了这个信号的路径延时。
这种情况下就可以复制生成这个信号的逻辑,用多路同频同相的信号驱动后续电路,使平均到每路的扇出变低,这样也就不需要插入Buffer,从而节约该信号的路径延时。
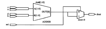
如:例1:
input a,b,c,d; input sel; output dout; assign dout = sel ? (a+b):(c+d);
综合出两个加法器和一个二选一选择器

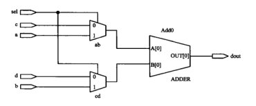
例2:
input a,b,c,d; input sel; output dout; wire ab,cd; assign ab = sel ? a:c; assign cd = sel ? b:d; assign dout = ab + cd;
综合出两个二选一选择器和一个加法器

第一种方法占用资源多,但速度快些;第二种方法则正好相反。
第一种方法就是一种逻辑复制的设计方法,因为这个设计实现本来只需要一个加法器就可以了,但为了加快速度,就需要进行逻辑复制。第一种方法就是以增加面积为代价换来了速度。
当然,现在的很多综合工具可以根据情况自动进行逻辑复制。
2、模块复用
就是逻辑复制的逆过程,好处在于节省面积,但会以牺牲速度为代价。
(五)模块化设计
模块划分的基本原则:子模块功能相对独立,模块内部联系尽量紧密,而模块间的连接尽量简单。

一般情况下,不在顶层模块做任何逻辑设计。
(六)时钟设计技巧
尽量避免使用FPGA内部逻辑产生的时钟,因为它容易导致功能或时序出现问题。
1、内部逻辑产生的时钟
组合逻辑产生的时钟不可避免地会有毛刺出现,如果此时输入端口的数据正处于变化过程,那么它将违反建立和保持时间要求,从而影响后续电路的输出状态,甚至导致整个系统运行失败。
处理办法:在输出时钟或者复位信号之前,再用系统专用时钟信号(通常指外部晶振输入时钟或者PLL处理后的时钟信号)打一拍,从而避免组合逻辑直接输出,达到同步处理的效果。对于输出的时钟信号或复位信号,最好让它走全局时钟网络,从而减小时钟网络延时,提升系统时序性能。

2、分频时钟与使能时钟
时钟满天飞是很不好的设计风格
通常用FPGA内嵌的PLL或者DLL进行时钟管理,这种时钟分频也是最稳定的。
但若对于无法使用PLL或者DLL资源的器件,则使用使能时钟设计。
在使能时钟设计中只使用原有的时钟,让分频信号作为使能信号来用。
例:需得到一个50MHz输入时钟的5分频信号即10MHz
input clk; //50MHz时钟信号 input rst_n; //写使能信号,低有效 reg [2:0] cnt; //分频计数寄存器 wire en; //使能信号,高电平有效 //5分频计数0~4 always @(posedge clk or negedge rst_n)begin if(!rst_n) cnt <= 3'd0; else if(cnt < 3'd4) cnt <= cnt + 1'b1; else cnt <= 3'd0; end assign en = (cnt == 3'd4); //5个时钟周期产生1个时钟周期高脉冲 //使用使能时钟 always @(posedge clk or negedge rst_n) if(!rst_n) ...; else if(en) ...;
使能信号不直接作为时钟使用,而是作为数据输入端的选择信号,即可避免使用分频时钟。

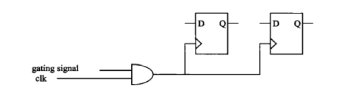
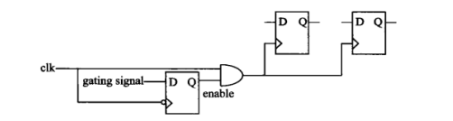
3、门控时钟
组合逻辑中多用门控时钟,一般驱动门控时钟的逻辑都是只包含一个与门(或门),如果有其他的附加逻辑,容易因竞争产生不希望的毛刺。门控时钟通过一个使能信号控制时钟的开或者关。当系统不工作时可以关闭时钟,整个系统就处于未激活状态,这样能在某种程度上降低系统功耗。但使用门控时钟不符合同步设计的思想,可能会影响系统设计的实现和验证。

这里推荐一种既可以降低系统功耗,又能够稳定可靠的替代门控时钟。

对于上升沿有效的系统时钟clk,它的下降沿先把门控信号gating signal打一拍,然后再用这个使能信号enable和系统时钟clk相与后作为后续电路的门控时钟。
五、基于FPGA的跨时钟域信号处理
对于一些复杂的应用,FPGA需要和多个时钟域的信号进行通信。异步时钟域所设计的两个时钟之间不同频不同相。

如上图,对于接收域而言,来自发送域的信号data_a2b有可能在任何时刻变化。如果出现建立时间或者保持时间违规,接收域将会受到处于亚稳态的数据,引起严重后果。
跨时钟域的信号成熟的基本思想是同步。
(一)同步设计思想
先举反例:设计功能就是一个频率计,FPGA除了脉冲计数外,还要响应CPU的读取控制。

CPU的控制总线是指一个片选信号和一个读选通信号,当二者都有效时,FPGA需要对CPU的地址总线进行译码,然后把采样脉冲值送到CPU的数据总线上。如下图为CPU的读时序图。

如果给出下面的以组合逻辑为主的实现方式,似乎可以。但对于这种时钟满天飞的设计,存在诸多亚稳态危害爆发的可能。脉冲信号和由CPU控制总线产生的选通信号是来自两个异步时钟域的信号,它们作为内部时钟信号时,如果同一时刻出现一个时钟在写寄存器counter,另一个时钟在读寄存器counter,那么明显存在着发生冲突的可能。(即若寄存器正处于改变状态(被写)时有读取信号产生了,问题就会随之而来)。
input clk; input rst_n; input pulse; input cs_n; input rd_n; input [3:0] addr_bus; output reg [15:0] data_bus; reg [15:0] counter; always @(posedge pulse or negedge rst_n) begin if(!rst_n) counter <= 16'd0; else if(pulse) counter <= counter + 1'b1; end wire dsp_cs = cs_n & rd_n; always @(dsp_cs or addr_bus) begin if(dsp_cs) data_bus <= 16'hzzzz; else begin case(addr_bus) 4'h0:data_bus <= counter; 4'h1:...; ... default:; endcase end end
脉冲信号pulse与CPU读选通信号cpu_cs是异步信号,pulse何时出现上升沿与cpu_cs何时出现下降沿都是不可控的。如果它们一起触发了,那么计数器counter[15:0]正在加1,这个自增过程还在进行中,CPU数据总线data_bus[15:0]来读取counter[15:0],那么到底读取的值是自增之前的值还是自增之后的值又或者是其他的值呢?
如下图所示,为一个计数器的近似模型。当计数器自增1的时候,如果最低位为0,那么自增的结果只会使最低位翻转;但是当最低位为1,自增的后果除了使最低位翻转,还有可能使其它任何位翻转,比如4'b1111自增1的后果会使4个位都翻转。由于每个位之间从发生翻转到翻转完成都需要经过一段逻辑延时和走线延时,对于一个16位的计数器,要想使这16位寄存器的翻转时间一致,那是不可能的。因此之前的设计出现冲突时被读取的脉冲值很可能完全是错误的。

要想解决冲突的问题,必须运用同步设计的思想,把这两个异步时钟域的信号同步到一个时钟域里进行处理。
解决办法:如下图所示。先是使用脉冲检测法把脉冲信号与系统时钟信号clk同步,然后依然使用脉冲检测法得到一个系统时钟宽度的使能脉冲作为数据锁存信号,也就将CPU的控制信号和系统时钟信号clk同步了。如此处理后,两个异步时钟域的信号就不存在任何读/写冲突的情况了。

(二)单向控制信号检测
(三)专用握手信号
所谓握手,即通信双方使用了专用控制信号进行状态指示。这个控制信号既有发送域给接收域的,也有接收域给发送域的。使用握手协议方式处理跨时钟域数据传输时,只需要对双方的握手信号(req和ack)分别使用脉冲检测方法进行同步。

具体实现,假设req,ack,data总线在初始化都处于无效状态,发送域先把数据放入总线,随后发送有效的req信号给接收域;接收域在检测到有效的req信号后锁存数据总线,然后回送一个有效的ack信号表示读取完成应答;发送域在检测到有效ack信号后撤销当前的req信号,接收域在检测到req撤销后也相应撤销ack信号,此时完成一次正常握手通信。此后发送域开始继续下一次握手通信,如此循环。

该方式能够使接收到的数据稳定可靠,有效避免了亚稳态的出现,但控制信号握手检测会消耗通信双方较多的时间。
module handshack( clk,rst_n, req,datain,ack,dataout); input clk; //50MHz系统时钟频率 input rst_n; //低电平复位信号 input req; //请求信号,高电平有效 input [7:0] datain; //输入数据 output ack; //应答信号,高电平有效 output [7:0] dataout; //输出数据,主要用于观察是否和输入一致 //———————————————————— //req上升沿检测 reg reqr1,reqr2,reqr3; always @(posedge clk or negedge rst_n) if(!rst_n) begin reqr1 <= 1'b1; reqr2 <= 1'b1; reqr3 <= 1'b1; end else begin reqr1 <= req; reqr2 <= reqr1; reqr3 <= reqr2; end end //pos_req2比pos_req1延后一个时钟周期,确保数据被稳定锁存 wire pos_req1 = reqr1 & ~reqr2; wire pos_req2 = reqr2 & ~reqr3; //———————————————————— //数据锁存 reg [7:0] dataoutr; always @(posedge clk negedge rst_n) begin if(!rst_n) dataour <= 8'h00; else if(pos_req1) dataoutr <= datain; end assign dataout = dataoutr; //———————————————————— //产生应答信号ack reg ackr; always @(posedge clk or negedge rst_n) begin if(!rst_n) ackr <= 1'b0; else if(pos_req2) ackr <= 1'b1; else if(!req) ack <= 1'b0; end assign ack = ackr; endmodule
(四)搞定亚稳态
所有的数字器件的信号传输都会有一定的时序要求,从而保证每个寄存器将捕获的输入信号正确输出。为了确保可靠,输入寄存器的信号必须在时钟沿的某段时间(寄存器的建立时间)之前保持稳定,并且持续到时钟沿之后的某段时间(寄存器的保持时间)之后才能改变,而该寄存器的输入反映到输出则需要经过一定的延时。如果数据变化违反了建立时间和保持时间的要求,那么寄存器的输出就会处于亚稳态,即输出会在高电平1和低电平0之间盘旋一段时间,这也意味着寄存器的输出达到一个稳定的高或者低电平的状态所需要的时间大于一般情况下的延时。
同步系统一般不会出现亚稳态问题,亚稳态问题多发生在一些跨时钟域信号的传输上。由于数据信号可能在任何时间到达异步时钟域的目的寄存器,所以设计者无法保证满足建立时间和保持时间的要求。然而并非所有违反建立时间和保持时间要求的信号都会出现亚稳态。进入了亚稳态的寄存器恢复稳定的时间取决于器件的制造工艺与工作环境(大多数情况下会很快)。
寄存器在时钟沿采样数据信号好比一个球从小山的一侧抛到另一侧。如下图所示,小山的两侧代表数据的稳定状态——旧的数据值或者新的数据值;山顶代表亚稳态。如果小球被抛到山顶上,但实际上它只要稍微有些动静就会滚落山底。在一定时间内,球滚得越远,它达到稳定状态的时间也就越短。

如果数据信号的变化发生在时钟沿的保持时间之后,就好像球跌落倒了小山的左侧,输出信号仍然保持时钟变化前的值不变。如果数据信号的变化发生在时钟沿的建立时间之前,并且持续到时钟沿之后的保持时间都不再变化,就好像球跌落到了小山的右侧,输出数据达到稳定状态的时间就是一般状态下的延时。然而一个寄存器的输入数据违反了建立时间和保持时间的要求,就像球被抛到了山顶,如果球在山顶停留得越久,那么它到达山底的时间也就越长,这就相应地延长了从时钟变化到输出数据达到稳定状态的时间了。如下图很好地阐述了亚稳态信号。

当球到达山底的时间超过了扣除寄存器一般延时时间以外的余量时间,那么问题就随之而来。
当信号变化处于一个不相关的电路或者异步时钟域,它在被使用前就需要先被同步到新的时钟域中。新的时钟域中的第一个寄存器将扮演同步寄存器的角色。
为了尽可能消除亚稳态的影响,设计者一般在目的时钟域使用一串连续的寄存器将信号同步到新的时钟域中,这些寄存器有额外的时间用于信号在被使用前从亚稳态达到稳定值。同步寄存器到寄存器路径的时序余量,也就是亚稳态信号到达稳态的最大时间,也被认为时亚稳态持续时间。
同步寄存器链被定义为一串达到以下要求的连续寄存器:
1、链中的寄存器都由相同的时钟或者相位相关的时钟触发;
2、链中的第一个寄存器由不相关时钟域或者异步的时钟来触发;
3、每个寄存器的扇出值都为1,链中的最后一个寄存器可以例外。

设计者无法预测信号变化的顺序或者说信号两次变化间经过了几个锁存时钟周期,因此使用双时钟FIFO传输信号或使用握手信号进行控制。
(五)借助于存储器
借助于存储器来完成跨时钟域通信也是很常用的手段。双口RAM更适合于需要互通信的设计,只要双方对地址做好适当的分配,那么剩下的工作只要控制好存储器的读/写时序。FIFO本身的特性(先进先出)决定了它更适合单向的数据传输。

异步FIFO在跨时钟域通信中的使用

FIFI两侧会有相对独立的两套控制总线。若写入请求wrreq在写入时钟wrclk的上升沿处于有效状态,那么FIFO将在该时钟沿锁存写入数据总线wrdata。同理,若读请求rdreq在读时钟rdclk的上升沿处于有效状态,那么FIFO将把数据放到读数据总线rddata上,外部逻辑一般在下一个有效时钟沿读取该数据。

浙公网安备 33010602011771号