ALPU系列防抄板&认证加密芯片
前言
公司投入大量人力财力研发一款新的电子产品或者软件算法,推出市场后,却被人抄板复制,知识产权和劳动成果被窃取,公司受到重大损失,其实通过技术手段完全可以规避这一风险,加密芯片可以有效的防止产品被非法抄板复制,保护您的知识产权和劳动成果
防抄板防复制型加密芯片怎么使用并起到保护作用?
Neowine是硬件(加密芯片)与软件(加密库)结合的加密方案,客户将Neowine ALPU-C 或 ALPU-FA 设计到硬件系统中,然后再将Neowine 提供的加密库嵌入到软件中,当系统运行时或者实现某个功能时调用到加密库,加密库通过I2C接口与加密芯片进行数据传输处理并进行验证,正常情况下验证成功,系统继续运行;若是没有加密芯片的非法复制产品验证失败,系统运行出错从而起到保护方案、产品的作用。
如果其他客户也买到一样的芯片不就可以破解了吗?
Neowine ALPU-C、ALPU-FA、DORCA20 加密芯片产品无论从技术上、硬件设计还是整销售体渠道上,NEOWINE都为客户提供了全套的定制型的加密方案。
1、技术上,Neowine 以定制的方式为每一个客户单独定制一套算法,客户间算法不兼容;并且采用固化的方法直接将算法固化到晶圆上而无需烧录。
2、硬件设计上,Neowine 加密芯片均采用ASIC方法设计,芯片内为纯逻辑电路,封装内有40多层逻辑电路整合了10万多个逻辑门,爆力刨片破解难度可想而知。
3、渠道上,Neowine 采用客户-->代理商-->Neowine 的封闭式渠道,保证客户定制产品在市场上 0 流通。
ALPU-C防抄板加密芯片介绍
特性
1、高性能非法复制保护IC,ASIC逻辑电路设计
2、AES-128 128位加解密算法
3、128bits OTP 供用户使用
4、IIC串行接口,最高支持400 Kbps
5、3.3V或1.8V工作电压
6、内置 16 MHz 晶振,无需外接晶振电路
7、两种电源模式(活动、睡眠)
优势
1、加密芯片采用ASIC方法设计,秘钥固化在晶圆里,无需烧录,操作简单
2、硬件(加密芯片)与软件(加密库)结合,加密安全性高
3、免费提供样品测试,专业技术支持和售后服务
4、Neowine纽文微是安全半导体研发领军企业,从2002年起专注于安全加密芯片的研发与生产,ALPU产品销量更是突破1亿颗,为2000多席客户提供量产
5、完善备案管理体系,客户确认使用加密芯片后,会签署保密协议,保密客户信息,保证独家使用权利
6、提供权威加密认证报告
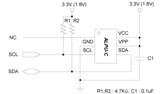
封装

典型电路

加密流程

样片及技术支持
纽文微电子 金生:13823560523 (微信同号)/QQ:2853578119

浙公网安备 33010602011771号