MAX488芯片手册阅读
用于RS485和RS422通信的低功率收发器,每个器件都有一个驱动器和接收器。
1直流电气特性:
2引脚说明:


pin1:VCC,5V
pin2:RO,接收器输出。若A-B>0.2V,RO为高电平,A-B<0.2V,RO为低电平。
pin3:驱动器输入。DI为低电平时,Y为低电平,Z高电平;DI为高电平时,Y为高电平,Z低电平。
pin4:地
pin5:Y,驱动器同向输出端。
pin6:Z,驱动器反向输出端。
pin7:B,接收器反相输入端。
pin8:A,接收器同相输入端。
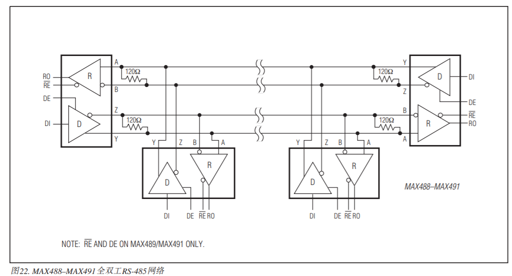
3应用:



浙公网安备 33010602011771号