会员
众包
新闻
博问
闪存
赞助商
HarmonyOS
Chat2DB
所有博客
当前博客
我的博客
我的园子
账号设置
会员中心
简洁模式
...
退出登录
注册
登录
jackzho
博客园
首页
新随笔
新文章
联系
管理
订阅
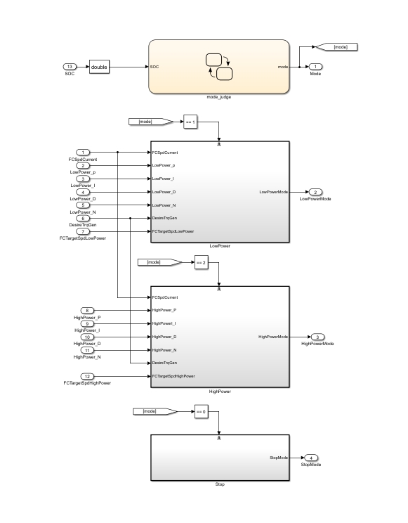
cruise纯电动汽车、增程混动汽车仿真模型,simulink联合仿真,模型均亲自搭建。
cruise纯电动汽车、增程混动汽车仿真模型,simulink联合仿真,模型均亲自搭建。
提供整车模型及策略模型
ID:1359
640118429938
posted on
2023-05-14 20:27
jackzho
阅读(
45
) 评论(
0
)
收藏
举报
刷新页面
返回顶部
公告