深度 | NPC 三电平拓扑原理及特点
本文聊一聊NPC中性点钳位型三电平拓扑结构的原理以及结构特点
概述
NPC(Neutral Point Clamped)三电平拓扑结构是一种应用最为广泛的多电平拓扑结构。NPC拓扑结构最早由日本长冈科技大学学者南波江章(Akira Nabae )在80年的IAS年会上提出,并于90年代初在高压变频器上得到实际工业应用。近年来随着电力电子技术在电力行业的发展,NPC三电平技术开始越来越多的应用到各个领域,包括光伏逆变器、风电变流器、高压变频器、UPS、APF/SVG、高频电源等都有着广泛的应用。NPC拓扑最常用的有两种结构,就是我们常说的“I”字型(也称NPC1)和“T”字型(也称NPC2、MNPC、TNPC、NPP等)。另外ANPC也是一种NPC1的改进型,这些年随着器件的发展,ANPC也开始有一些适合的应用。本文主要介绍前两种结构,从结构特点、回路分析、调制方式、损耗计算等几个方面来分析这两种NPC拓扑结构。
NPC三电平基本原理
三电平拓扑结构的思想来源于一种多级可控直流源的思想,如下图 (1)所示。通过对不同等级电源的切入来实现多电平的控制。二极管钳位型NPC三电平拓扑结构正是通过引入两个钳位二极管来实现多级电压的控制。具体的对比实现过程,请参考下面的短视频。
图1 多级可控直流源示意图
基于二极管钳位的两级可控电源的实现(1.1M)
所谓三电平是指当桥臂开关的时候可以输出的电压的数量为三个。相对于传统的两电平,在交流输出端多出来一个中点电位。下面两个短视频分别展示了两电平和三电平的电位变化过程(仅作为电平变化示意,不代表开关过程)。
两电平电位动态变化过程(0,2M)
三电平电位动态变化过程(0,5M)
NPC三电平特点
三电平结构较之两电平结构在相同母线电压的情况下开关直流电压只有两电平的一半带来了有很多优点,主要包括如下几点。
-
更好的输出波形
由于三电平桥臂在换流过程中,每次电平的变化都是从正或者负先到中点电位,多出一个台阶如上面视频里展示的一样。折算成相电压,波形变化的台阶也会更加平顺接近于正弦波,如图(2)所示。从图中可以明显看出三电平的波形要比两电平平顺得多。从数据上看,根据Mathcad计算(调制度为1),两电平输出的电压谐波THD(Total Harmonic Distortion)一般在50%左右,而在相同开关频率的情况下,三电平的谐波THD仅为26%左右。降低接近一一半左右,这对降低对电网的谐波注入也有很大的帮助。
图 2 两电平和三电平电压对比图
-
改善电磁干扰(EMI)问题
三电平结构中,IGBT开关器件的开关电压降低一半。这样在开关过程中IGBT的电压变化率(dv/dt)要降低许多。电压变化率(dv/dt)是电力电子系统电磁干扰的主要来源。电压变化率(dv/dt)的降低就意味着系统电磁干扰(EMI)的降低和改善;同时在变频器应用领域也可以降低轴电流,有效的改善变频器对电机寿命的影响。
-
损耗降低,更高效率,开关频率提高
在开关过程中,IGBT开通关断的直流电压降低会使芯片的开关损耗降低许多。根据经验值,直流电压和开关损耗的关系如下式。
计算可得当开关直流电压变为50%的时候,损耗会降低为原来的40%左右。损耗的降低意味着更高的效率,和开关频率。开关频率的提高对LC滤波的设计有很大帮助,可以减小电抗器尺寸和体积,以及更加可靠的谐振点设计。
任何事情都是有两面性的,有优点,就必然也能指出缺点。三电平拓扑结构的缺点还是很明显的,主要有以下几点。
-
结构复杂
这一点还是很明显的,两电平系统单个桥臂需要两个IGBT和两个DIODE。而三电平系统除此之外,至少还需要额外的两个IGBT和两个二极管,所需要的器件数量增加一倍以上。近些年随着芯片技术以及封装技术的发展,结构复杂已不再是要考虑的问题。特别是中小功率应用领域,一体封装的IGBT三电平模块得到越来越多的应用。
-
调制算法复杂
相比于两电平系统单个桥臂两个IGBT,三电平NPC拓扑要控制单个桥臂四个IGBT,显然控制方法会复杂很多。如图(3)所示,两电平矢量控制仅仅有8个矢量,而三电平适量控制则有27个矢量。对于NPC1型拓扑而言,两个IGBT串联还涉及到开关时序的问题。特别是在短路关断的时候,需要控制两个串联管子先后关断。这都给系统控制和可靠性带来了挑战。
图 3 两电平和三电平空间矢量图
-
中点平衡控制
电流可以从正端和中性点流出,电流的流出会引起电容电压的变化。电压变化不同就会在串联电容之间引起电位不平衡问题。中点电位的波动不平衡会导致谐波增加,输出低频谐波电流以及器件两端电压变化,特别是会导致IGBT关断过压余量不足,影响器件工作的可靠性。
-
损耗不均衡
NPC较两电平多了一些IGBT和DIODE,这些器件在整个工作周期有不同的导通开关次序,因此有着不同的损耗。这会导致有的器件结温过高,成为整个模块输出功率的瓶颈。如下图(3)和图(4)所示,为NPC1型的模块和NPC2型的模块配置同样规格的IGBT和DIODE,在功率因数为1,调制度为1的时候的损耗分布和结温大小示意图。可以看出在两种结构中,T1管都是结温最高的器件,同时,占据了大部分的损耗。同样当功率因数为-1的时候损耗会主要分布在二极管上。
这样在设计模块的时候,往往需要根据实际的应用特点来选择合适的芯片规格,给模块设计带来更多的挑战。
图 4 NPC1的损耗分布和结温
图 5 NPC2的损耗分布和结温
-
长换流回路问题
相对于两电平增加了一个电平,自然而然换流回路也就不一样了。对于三电平系统,会存在一个长换流回路,如图(5)所示。从图中可以看出,T3在关断的时候,电流经过D1,D2续流,电流路径由绿色换成棕色。这时,换流回路较长,杂散电感会比较大,导致T3的关断尖峰过大。
图 6 NPC1 长环流回路
开关模式
NPC三电平相对于两电平拓扑要多出一倍的开关器件,因此开关模式也会更加复杂。但是,其基本原理通过上面的动画中可以看出是类似的。输出状态总共有三个(以NPC2为例),包括:
1、T1开通的时候输出为“正电平”;
2、T2或T3开通的时候输出为“零电平”;
3、T4开通的时候输出为“负电平”。
对于VSI(Voltage Source Inverter)系统来讲,我们能直接控制的只是电压。通过对开关器件的控制,我们可以实现对等效电压的控制。而电流实际上是间接控制的。电流和电压一般对应了四种状态如下图,包括:正电压,正电流;正电压、负电流;负电压、正电流;负电压、负电流。下面我们逐一分析每种状态下的电流回路。
图 7 四种换流状态
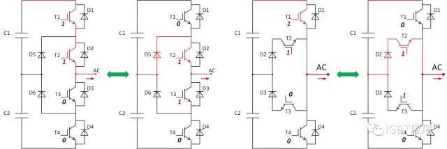
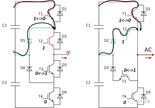
1、正电压,负电流(V>0,I<0)
这种情况下,电压为正,电流为负,从交流端流入拓扑,当输出正脉冲的时候,电流通过二极管流向正端;当输出零脉冲的时候,电流通过T3以及二极管流入中性点。
图 8 NPC1和NPC2的换流过程(V>0,I<0)
如上图所示,对于NPC1型三电平结构,T1和T3进行开关状态切换。T3打开后,电流由T3和D6流向中性点实现换流,同时D1反向恢复;T3关断后,电流由二极管D1、D2进行续流。
对于NPC2型三电平结构,同样T1和T3进行开关状态切换。T3打开后,电流由T3和D3流向中性点实现换流,同时D1反向恢复;T3关断后,电流由二极管D1进行续流。
2、正电压,正电流(V>0,I>0)
这种情况下,电压为正,电流为正,从交流端流出拓扑,当输出正脉冲的时候,电流通过IGBT(NPC1:T1&T2;NPC2:T1)流向交流端;当输出零脉冲的时候,电流通过T2以及二极管流到交流端。
图 9 NPC1和NPC2的换流过程(V>0,I>0)
如上图所示,对于NPC1型三电平结构,T1和T3进行开关状态切换。T1关断后,电流由T2和D5流向交流端实现续流;T1打开后,电流由T1、T2进行换流,同时D5反向恢复。
对于NPC2型三电平结构,同样T1和T3进行开关状态切换。T1关断后,电流由T2和D2流向交流端实现续流;T1打开后,电流由T1进行换流,同时D2反向恢复。
3、负电压,正电流(V<0,I>0)
这种情况下,电压为负,电流为正,从交流端流出拓扑,当输出负脉冲的时候,电流由负端通过二极管流出;当输出零脉冲的时候,电流通过T2以及二极管流到交流端。
图 10 NPC1和NPC2的换流过程(V<0,I>0)
如上图所示,对于NPC1型三电平结构,T2和T4进行开关状态切换。T2打开后,电流由T2和D5流向交流端实现换流,同时D4反向恢复;T2关断后,电流由二极管 D3、D4进行续流。
对于NPC2型三电平结构,同样T2和T4进行开关状态切换。T2打开后,电流由T2和D2流向交流端实现换流,同时D4反向恢复;T2关断后,电流由二极管 D4进行换流。
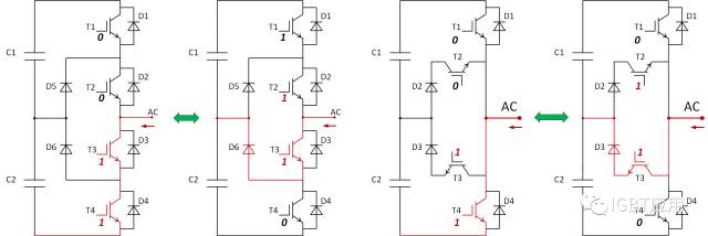
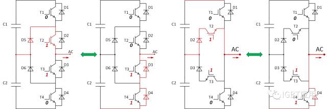
4、负电压,负电流(V<0,I<0)
这种情况下,电压为负,电流为负,从交流端流入拓扑,当输出负脉冲的时候,电流通过IGBT流向负端;当输出零脉冲的时候,电流通过T3以及二极管流到中性点。
图 11 NPC1和NPC2的换流过程(V<0,I<0)
如上图所示,对于NPC1型三电平结构,T2和T4进行开关状态切换。T4关断后,电流由T3和D6流向中性点实现续流;T4打开后,电流由T3、T4进行换流,同时D6反向恢复。
对于NPC2型三电平结构,同样T2和T4进行开关状态切换。T4关断后,电流由T3和D3流向中性点实现续流;T4打开后,电流由T4进行换流,同时D3反向恢复。
对上面的换流过程总结可以得到输出正电压、中点电压、负电压以及加上全部关断的时候的高阻状态总共四个主要开关状态。
另外,当主要开关状态之间进行切换的时候,需要一个过渡过程。比如当T1,T2导通的时候进行短路关断,需要先关断T1,然后关断T2,这中间就是过渡状态“A”;当输出状态由正脉冲“P”转换为零电压“O”的时候,需要先关断T1,经过过渡状态“A”,然后打开T3。总之,加上两个过渡过程,总共六个开关状态,如下表:
回路分析
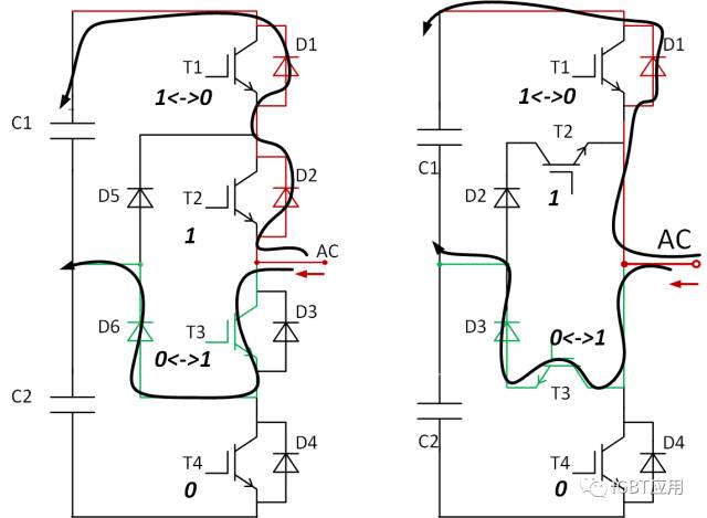
根据上面的开关模式中可以看出,总共有四个换流模式。由于对称性,本质上只有两种不同的换流方式,即为常说的“长换流回路”和“短换流回路”,如下图12和图13。换流回路的长短决定了回路的杂散电感大小,进而影响IGBT的开关应力。我们以长换流回路为例,来说明换流回路与应力的关系。当T3关断的时候,T3-D6回路中的电流开始减小换流到D1-D2回路,考虑到回路杂散电感引起回路的电压差,T3发射极电压会低于中性点电压;同时,D1-D2回路中电流开始增加,变化的电流与回路中的杂散电感同样会导致交流端的电压升高。因此,T3关断的时候,在T3两端会有一个电压尖峰,这个电压尖峰受到回路杂散电感以及电流变化率的影响。
图 12 长换流回路
对于长换流回路,如同前面所讲,会引起开关管应力过大的问题。在模块设计过程中需要注意优化。对于使用两电平模块搭建的方案,长换流回路一般需要在模块之间实现换流。这样就很难避免比较大的杂散电感,甚至开关应力过大需要驱动优化开关过程,这也会引起关断损耗增加。对于单个模块的三电平方案,长换流回路的杂散电感要小得多,基本上应力问题不大。另外,在高速应用中,根据电流方向而将拓扑分成两部分的分离式的设计也可以一定层度上优化长换流回路问题,以满足较快的开关要求。对于NPC2来讲,T2/D2和T3/D3其实是可以互换位置的,也就是长换流回路可以变成短换流回路。比如对整流为主的应用,把T1/D1和T3/D3设计的比较靠近,T4/D4和T3/D3设计的比较靠近会使主要的开关过程都是短换流回路应力较小,同时也可以很好的优化系统效率。
图 13 短换流回路
短换流回路,在模块设计中可以将回路中的芯片设计的比较靠近从而获得非常小的杂散电感。对于两电平模块搭建的方案,短换流回路一般在单个模块内部,杂散电感也会比较小。
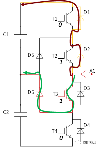
关于换流回路,还有一个小问题放在这里跟大家交流,就是下图14所示的NPC1的这个环流过程,对于当T2关闭,电流通过D3,D4续流的过程中,D5是否有反向恢复损耗?
图 14 关于D5损耗问题的环流示意图
整理了各个厂家的损耗仿真计算工具之后发现它们的结论是不同的。富士和ABB认为这个过程中,D5是有反向恢复损耗。而其他多数厂家认为这个过程中D5是没有反向恢复损耗的。那么问题就来了:真理是掌握在少数人手里,还是某些厂家没有搞清楚呢?
图 15 不同厂家对于D5损耗问题的结论
另外,目前一种基于ANPC拓扑的调制方式在改善NPC1拓扑长环流回路问题上显现出特有的优势,可以很好的避免长环流回路问题,使通过两电平半桥模块搭建三电平方案变得更具有可行性。后面我会写文章专门介绍。
调制方法
对于NPC三电平的调制研究很多,这里就不多说了,简单介绍一下载波叠层法和SVPWM法便于了解是如何通过调制使NPC输出正弦波的。
载波叠层法通过两个叠在一起的三角波作为调制波形。通过比较得出正半周期和负半周期的输出脉冲,并通过该脉冲波形来控制IGBT的开关。正半周期的高电平脉冲对应了“P”的开关模式,负半周期的高电平对应了“N”的开关模式,零电平对应 “O” 的开关模式。这样每一个桥臂就可以输出类似于下面方波的相电压波形。另外为了提高电压利用率,可以在调制波上注入三次零序分量。当该零序分量的幅值为三相正弦波瞬时最大最小值之和的一半的时候,就变成等效的SVPWM调制了。
图 16 叠层载波调制方法
SVPWM矢量调制是更为常用的调制方法,可以实现更高的电压利用率。右下图17的矢量图可以看出,总共有27种开关状态,NPN、OPN、PPN、POO.......。其实是把每个桥臂的三种开关状态组合即为3^3。根据这些矢量的幅值可以把它们分成四个类型:
1、零矢量,幅值为零。PPP、OOO、NNN;
2、小矢量,幅值为V/3。POO、PPO、OPO、OPP、OOP、POP,ONN、OON、NON、NOO、NNO、ONO;
3、中适量,幅值为0.5743*V。PON、OPN、NPO、NOP、OPN、PNO;
4、大矢量,幅值为2*V/3。PNN、PPN、NPN、NPP、NNP、PNP。
从图中可以看出,零矢量是矢量图中心的三个,小矢量在内六边形的六个点上,中矢量是在两个交叉三角形的点上,大矢量则是在外六边形的点上。
图 17 叠层载波调制方法
与两电平的矢量调制算法类似,根据伏秒平衡原理,给定目标矢量可以通过最近的三个矢量来合成。比如下图18中的矢量可以通过POO、PNN、PON来合成。一般最好矢量切换过程中最好只有一相发生变化,这样会使得器件的开关次数最少,减小损耗。这样便可以得到如下图18右侧所示的七段调制的三相桥臂输出模式。
图 18矢量合成方法
如图18中的三相输出模式,输出目标是三相电压的合成矢量,而每一相桥臂的输出是通过合成矢量所需的等效时间计算而得到;而载波调制方法则是直接通过目标三相正弦波来控制三相桥臂,进而得到目标输出三相电压波形。两者本质没有差别,三相电压量和其矢量是等效的。如上面所提到的,当在载波中注入一定量三次谐波的时候,也可将载波调制输出波形等效成SVPWM调制波形。

浙公网安备 33010602011771号