电容

1.电容基本公式:
Q为电容电荷量 U为上下极板间的电压 板间电场E=U/d
e为介电常数 k为静电力常量 S为两板正对面积 d为两板间距离
2.电容基本单位:nF 、pF、uF
104=10*10^4 pF=0.1uF
1F= 10^3mF = 10^6uF = 10^9nF = 10^12pF
3.电容类型如下:

4.电容充放电模型推导:
充电:假设一个回路中仅含有电压源Vin、电阻R、电容C 三个元件
说明:Vin --电源电压 Vc--电容t时刻充电后的电压
Vin=i*R+Vc 由于C=dq/du 而i=dq/dt 所以i=C*du/dt
即得:Vin=(C*dVc/dt )*R+Vc 方程两边同乘以dt
Vin*dt=RC*dVc+Vc*dt 左右两边移项得到(Vin-Vc)dt=RCdVc
—》dt/RC=dVc/(Vin-Vc) 对两边积分得到
t/RC=-In(Vin-Vc)+k; k可以通过初始条件来确定。已知t=0,Vc=0
代入后解得k=InVin 若换个条件 t=0,Vc=Vo
所以最后得出t=RCIn(Vin/(Vin-Vc)) 则:t=RCIn[(Vin-Vo)/(Vin-Vc)]
再推出Vin/(Vin-Vc)=exp(t/RC) —》Vc=Vin(1-exp(-t/RC))
放电:回路中不再有电压源Vin对电路进行充电,回路中只有电阻R和电容C
说明:Vin -– 电容上初始电压 Vc—电容t时刻放电后的电压
i*R+Vc=0 引用上面部分推导直接写出:
(C*dVc/dt)*R+Vc=0 —》RCdVc/Vc=-dt对两边进行积分得到
RC*InVc=-t +k —》 代入初始条件 t=0 ,Vc=Vin
代入后得到:k=RCInVin Vc=Vin * exp(-t/RC)
5.稳压电路滤波电容计算
一般来说喜欢把充放电公式里面的RC称为 即为时间常数
RC= * = * =
对于稳压电源的滤波电容来说,有如下关系式子
Tk=RL*C>=(3~5)
在这个式子中,RL是等效负载电阻,近似等于输出电压UL除以输出电流IL;
T为工频周期 ,对于50HZ交流电来说 其数值为0.02s
接下来解释下3到5倍T/2由来


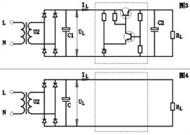
上图中图1为整流后的电压,注意到其脉动直流的脉动周期为10ms,也就是半个工频周期,
图3是完整的串联稳压电路,图4是将调整电路忽略掉,并且将C2和C1合并为C的电路。用意在于这样合并是因为计算滤波电容时考虑的是总体的等效负载电阻。
图4看到,电容C和负载电阻RL构成了积分电路,由于充电曲线相对于放电曲线要短,故电容C上的电压变化周期可按照放电曲线来考虑。
这时候我们用上上面推导的放电曲线公式:
Vc=Vin * exp(-t/RC) => Vc=Vin * exp(-t/)
一般情况下可以认为当时间t=(3~5)时候,电容上电压基本放完
例如当t=3τ和5τ时候:
Vc=Vin*exp(-3)=0.050Vc
Vc=Vin*exp(-5)=0.00674Vc 一般为了取得好的效果,总是留有余量会取值为4τ、5τ
最后举个例子:
设输出电压为15V,输出电流为500mA,当取4τ时候,T取1/50
RL*C>=4* => * C>=4* => C>=2*T*IL/UL=1.3*F
6.电容的实际等效模型

其中:ESR为电容的串联电阻 C为理想的电容 ESL为电容管脚、封装、接插件电感的和
实际的电容并不是理想,表现为:
a.电容具有引脚电感,当频率高到一定的值后会使得电容的阻抗增加;
b.电容具有ESR,这也会降低电容的性能;
c.电容有温度特性,随着温度的改变,电容的介质属性会变化并引起容值的变化;
d.电容的容值会由于介质老化而慢慢变化;
e.电容过压会爆炸。
当选择去耦电容时,充分理解上述非理想性是很重要的,串联电感和ESR的影响可以计算得到,关于温度特性、老化特性和电压范围只能由生产厂家提供详细资料
7. 去耦电容的去耦时间的计算


本文从另外一个更直观的角度来说明去耦电容的这种特性,即电容的去耦时间。稳压电源以及去耦电容是构成电源系统的两个重要部分。对于,现在芯片的速度越来越快,尤其对于高速处理芯片,负载芯片的电流需求变化也是非常快。内部晶体管开关速度极快。
例如,处理芯片内部有2000个晶体管同时发生状态翻转,转换时间是1ns,总电流需求为600mA。
这就意味着,电源系统必须再1ns时间内补足600mA瞬态电流。但是,对于目前的稳压源系统来说,在这么短的时间内并不能反应过来,相对于快速变化的电流,稳压源明显滞后了。根据一般经验来说,稳压源的频率响应为几百K左右,因为在时域系统里,1/100KHz=10us,也就是说,稳压源最快的响应时间为10us,无法在1ns时间里得到响应。这样的后果是,负载还在嗷嗷待哺等待电流,稳压源却无法及时提供电流,总功率一定,电流增大了,于是电压就会被拉下来,造成了轨道塌陷,因此噪声就产生了。
如何解决呢?方法是并联不同容值的电容器。因为,稳压源需要10us才能反应过来,所以在0-10us的时间里也不能干等着,需要用恰当的电容来补充。
比如按照50mohm的目标阻抗,可以计算出电容:
C=1/(2*PI*f*Z)=31.831uf
而电容的最高频率同时可以计算出来,假设ESL为5nH,所以有f=Z/(2*PI*ESL)=1.6MHz。
也就是说加入31.831uf的电容,可以提供100KHz到1.6MHz频段的去耦。另外,1/1.6MHz=0.625us,这样一来,0.625us到10us这段时间电容能够提供所需要的电流。10us之后,稳压源能够提高需要的稳定电流。
另外,加上一个大电容并不能满足要求,通常还会放一些小电容,例如15个0.22uf的电容,可以提供高至100MHz的去耦,这些小电容的最快反应时间是1/100MHz=1ns,因此,这些电流能够保证1us之后的电流需求。

浙公网安备 33010602011771号