皮尔斯振荡器


组成元件:
Inv:内部反向器,作用等同于放大器。
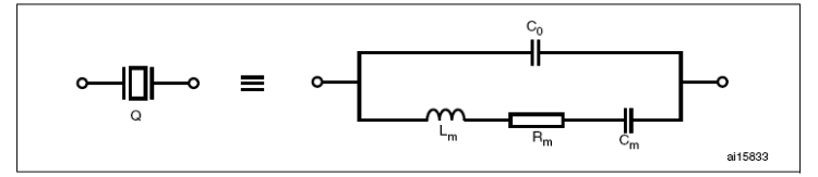
Q: 石英或陶瓷晶振
Rf: 内部反馈电阻,它的存在使得反相器工作在线性区,从而使其获得增益,作用等同于放大器。
Rext:外部限流电阻
CL1和CL2:两个外部负载电容
Cs:由于PCB布线及连接等寄生效应引起的等效杂散电容(OSC_IN和OSC_OUT管脚上)
一般对于一个晶振电路来说,通过选择晶振来确定Rext、CL1和CL2的参数
通过厂家提供的晶振手册,需要找到ESR,CL,C0这三个参数。

上面的这个图是实际的HC-49S型号的晶振查到的,由于我们选择的是8M晶振,那么从表中可以看出其ESR=80,CL=10pF,C0=7pF。
第一步:增益裕量(Gainmargin)计算。

上文中提到的gm在MCU介绍其皮尔斯振荡器那章可以找到。
第二步:外部负载电容的计算,确定CL1和CL2

第三步:驱动级别及外部电阻的计算 ,确定Rext

最后大家有想了解全面的可参考ST的下方官方应用文档,链接如下
https://www.st.com/resource/en/application_note/cd00221665-oscillator-design-guide-for-stm8af-al-s-stm32-mcus-and-mpus-stmicroelectronics.pdf

浙公网安备 33010602011771号