新一代高性能电容感应芯片SC01F
SC01F——单键电容触摸感应&液位检测芯片 ——
目录
一 概览
二 芯片功能
三 应用案例
四 详细参数

概 览Overview
01概述<<<<
SC01F 是单键电容触摸感应器,它可以通过任何非导电介质(如玻璃和塑料)来感应电容变化。通过设置,SC01F 可以应用于普通触摸按键开关、智能马桶人体感应、水位检测。
02特性<<<<
- 普通按键应用
- 水位检测应用
- 智能马桶人体感应应用
- 保持自动校正,无需外部干预
- 按键输出经过完全消抖处理
- 并行一对一输出
- 2.5V ~ 6.0V 工作电压
- 符合 RoHS 指令的环保 SOP8 封装
03封装<<<<
![]()
SC01F封装简图
芯片功能Functions
01初始化时间<<<<
上电复位后,芯片需要120ms进行初始化,计算感应管脚的环境电容,然后才能正常工作。
02灵敏度设置<<<<
灵敏度由CDC端口接的电容值决定。数值越小,灵敏度越高。电容范围是最小5pf,最大100pf。数值越小,灵敏度越高。为了保证灵敏度的一致性,CDC电容要求使用10%或以上的精度的涤纶电容、NPO材质电容或者COG材质电容为最佳。务必在PCB布局时,将CDC电容尽量贴近IC放置。
03自校正<<<<
在普通按键直接输出模式和普通按键锁存输出模式下,根据外部环境温度和湿度等的漂移,按键电容基准参考值也会发生漂移,芯片会自动调整校正每个按键的电容基准参考值,以适应当前环境的变化。
当检测到按键后,芯片会立即停止校正一段时间,这段时间大约 50 秒。停止校正时间一到,芯片会继续自校正,如果当前按键还是持续有效,按键信息会被当做环境的漂移立即被更新,也就是说检测按键有效的时间不会超过 50 秒。
04 智能马桶人体感应和液位检测<<<<
在智能马桶人体感应或液位位检测模式下,CIN1端接10PF左右的基准电容,CIN2端接人体或液位接触按键,当人体靠近或者液面达到刻度,检测到触摸按键的电容值大于CIN1上的基准电容值,OUT由高阻变低电平,直到人体离开或者液面低于刻度,输出才重新变成高阻。
05触摸反应时间<<<<
每个通道大约每隔3ms采样一次。经过按键消抖处理以后,检测到按键按下的反应时间大概是18毫秒,检测按键离开的反应时间大概是12毫秒。所以检测按键的最快频率大概是每秒30次。
06输出逻辑<<<<
触摸输出有两种状态:高阻或强低。
应用案例Application
01应用电路<<<<
普通按键模式(直接或锁存)
智能马桶人体感应和水位检测模式
02重要指标<<<<
SC01F 按工业级设计,有超强稳定性及抗干扰能力,支持动态CS 10V,EFT 4KF,ESD接触式8KV,空间15KV。
03应用场景<<<<
- 替代机械开关
- 家庭应用(电视、显示器、键盘)
- 玩具和互动游戏的人机接口
- 门禁按键
- 灯控开关
- 密封键盘面板
- 金属触摸按键
![]()
![]()
详细参数Detailed parameters
01额定值<<<<
注: 超出上述值可能导致芯片永久损坏
02电气特性<<<<
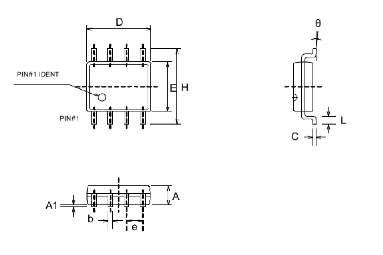
03封装尺寸<<<<
SC01F封装实例图
欢迎联系我们定制专属解决方案!

单键电容触摸感应&液位检测芯片



浙公网安备 33010602011771号