Eplan教程:流体工程案例
欢迎大家来到“Eplan带你做项目”第三个过程。在第二个过程中,使用Eplan的预规划对产线进行了设备规划,设计结构性的定义,工时,成本的预估,评估项目设计投入,主要元件的选型等等,为预投BOM提供了基础参考,该过程属于Eplan工程设计的基础工程设计。在基础工程设计的基础上,Eplan开始进入详细工程设计,详细工程设计包括机械中的流体工程设计(液压,气动设计),电气中的电气工程设计等更为具象化的设计。
在第三个过程中,Eplan将带你进入机械设计中的流体工程设计,本过程将向大家介绍在Eplan中怎样进行流体工程设计,本次导航项目以流体工程中的气动工程设计为案例,引导过程包含“气源处理”、“气动控制回路设计”、“部件报表生成”三个部分:
1.气源处理
在气动设计中,根据机械设计要求,例如压力范围,气体流量等技术要求,首先要解决气源,也就是要进行气源的处理。气源处理通常包含如下功能:
气体过滤
清除压缩空气中的油污,水,和粉尘。
压力调节
根据设计要求增加调压功能,将压缩空气压力调节到所需的压力值。
油雾处理
向压缩空气中添加油雾,润滑管路和气动回路元件。
气源关断
远程电气控制气源关断。

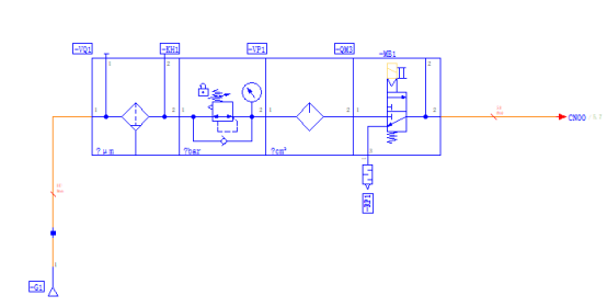
关于气源处理,本次案例采用的是FESTO的MS系列中的元件,Eplan可以提供FESTO,SMC等知名气动元件在线数据库及2D原理图宏的在线下载,欢迎大家使用。
根据设计规划,确定FESTO气源处理单元组合设备以及相关附件详单如下:
为了得到上述清单中的部件数据信息以及快速完成图纸绘制,在Eplan中,通过Eplan ePULSE进入Eplan Data Portal,界面参考如下:

根据选型列表,收索到所需部件,通过插入部件,插入宏等命令可快速完成气源处理单元的绘制,为了后期的长期调用,也可以直接下载到本地部件数据库中。
通过插入部件或者插入宏方式,快速插入宏进入Eplan流体原理图中,绘制结果如下图所示:

2.气动控制回路绘制
在基础工程设计过程中,Eplan预规划对整个产线设计中的主要气动执行元件进行了规划,如下图所示:

规划中主要是被控制对象,如图所示的气缸,用来执行工件的夹紧气缸。
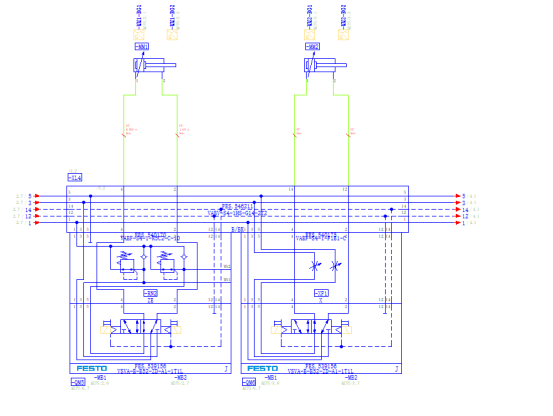
根据设计要求和模块化设计思维,本示例产线气动控制采用现场安装气控阀岛设计,阀岛更便于产线组合及功能设备的随机移动。通过阀岛的总线快速提取数据,减少了信号接线。本示例设计采用了FESTO的VTSA系列阀岛,总线采用了ProfiNet总线控制系统。阀岛设计具有特殊性,因为该设备属于“电气”、“流体”混合应用元件,比如阀岛的控制单元和I/O模块属于电气设计,但气动阀板,控制阀等属于气动设计,阀岛示例如下图所示:

在Eplan中,根据阀岛的应用特性,也为了确保设计数据的关联性和数据一直性,阀岛设计采用了“电”和“气”两个专业联合设计。将气动图纸和电气图纸建立关联性,生成交互参考,图纸中的关联性,有助于在生产调试和产线运维时可快速进行数据查询和跳转,减少调试和运维周期。
设计规划阀岛中的电气部分,总线单元等电气采用Eplan多线原理图页类型设计,如下图所示:

在多线原理图中,处理阀的电控单元,阀的信号控制,以及功能说明,同时也处理阀岛的供电,I/O模块的信号回路。
设计规划阀岛中的气动控制回路,采用Eplan流体原理图页类型来进行设计,如下图所示:

在流体原理图中,绘制阀岛中阀板,控制阀,气缸等气动回路绘制,定义管路规格等气动回路信息。
设计规划阀岛设计过程中,使用Eplan总览图页类型来绘制体现阀岛整体设计总览的设计需求,如下图所示:

在总览中,确定阀岛各个模块的部件型号以及附件型号,同时想产生了同电气,气动等设计单元的关联性。
我们利用Eplan同一项目,多专业,多页型可进行混合协同设计,这样一个项目就能解决跨专业协同的设计难题。

基于以上的设计原则及图纸规划,完成引导项目的气动原理图设计和电气原理图设计,结果如下:

2.1 阀岛电气原理图示例部分如下图所示:

2.2 阀岛气动原理图示例部分如下图所示:

2.3 阀岛整体总览性图示例部分如下图所示:

3.Eplan自动化报表
部件汇总表在Eplan中,可以使用强大的报表自动化功能,快速统计部件数量生成部件汇总表,通过自动生成的准确报表,进行元件采购和备品备件的管理。

4.关于设计方法的讨论
本次引导项目采用了多专业协同设计,关于图纸的绘制,相对于单专业设计,推荐使用Eplan四种设计模式中的“基于部件设计”方式,为何如此,主要是尽管多专业协同设计,但都是基于同一部件,例如阀岛中的阀回路,尽管阀体是气动回路,但阀的控制部分属于电气回路。再比如,气缸上的位置传感器,在气动回路中要表达出来,但该传感器信号需要进入电气PLC中进行信号采集控制。传感器类别属于电气,但确需要安装在气杠上。
在Eplan中通过维护一个部件数据,关联不同专业的符号宏或窗口宏,进行了多专业同步管理,在图纸设计时,通过Eplan的部件主数据导航器可以快速拖放设备到图纸中,同时完成图形设计和部件选型处理。

以上通过一个引导示例,向大家浅谈Eplan中的气动回路设计要点,希望对EPLAN初学者有所帮助。
浙公网安备 33010602011771号