Barry618

导航

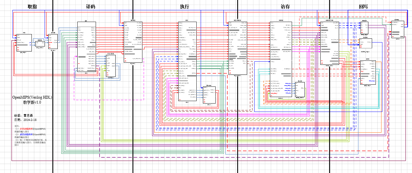
挑战(三):两周自己动手写CPU(第三章:教学版OpenMIPS处理器蓝图)

教学版OpenMIPS处理器:哈佛结构32位标量处理器,兼容MIPS32 Release 1指令集架构

一、设计目标:

 

 

 

 

 

 

 

 

 

 

 

 

 

 

 

posted on 2022-03-14 19:59  Barry618  阅读(182)  评论(0)    收藏  举报