温度指示报警电路设计报告

摘要
温度指示电路是在实际应用中十分广泛的测量电路之一。本设计主要运用基本的模拟电子技术基础和传感器原理的知识,从基本的元器件出发,实现了超温报警电路的设计。秉承的主要思想是达到课程要求和尽可能多的利用自己所学的知识。
本文介绍一种运算放大器温度指示及报警电路的设计方法,本电路主要由四运算放大器LM324、热敏电阻、LED发光二极管、蜂鸣器等元器件组成,并利用热敏电阻阻值随着温度的升高而减少的原理。改变LM324比较器的比较电压,使其输出产生变化,从而引起发光二极管发光,当温度达到最高指示值时,蜂鸣器发出报警声。
关键词:LM324;9013三极管;比较电压
目录
1设计任务及要求
1.1技术要求
(1)通过慢慢调节滑动变阻器,用8个LED发光二极管来模拟温度由低到高变化。
(2)温度过高,即温度超过最高位模拟温度对应发过二极管时产生报警信号。
1.2主要任务
(1)按照技术要求,提出自己的设计方案(多种,芯片不限)并进行比较;
(2)查阅资料,确定所需各元器件型号和参数;
(3)根据设计的实现方案,在multism或protues软件上画出电路图并进行仿真;
(4)在电路板上焊接组装电路;
(5)自拟调整测试方法,并调试电路使其达到设计指标要求;
(6)撰写设计说明书,进行答辩。
2方案论证
2.1方案一
方案一主要由四运算放大器LM324、热敏电阻、LED发光二极管、蜂鸣器等元器件组成,并利用热敏电阻阻值随着温度的升高而减少的原理。改变LM324比较器的比较电压,使其输出产生变化,从而引起发光二极管发光,当温度达到最高指示值时,蜂鸣器发出报警器。但是所用的两个LM324运算放大器的同向输入端均接在同一支路上,共同由滑动变阻器控制。

图2-1 方案一电路仿真图
2.2方案二
方案二也主要由四运算放大器LM324、热敏电阻、LED发光二极管、蜂鸣器等元器件组成,并利用热敏电阻阻值随着温度的升高而减少的原理。改变LM324比较器的比较电压,使其输出产生变化,从而引起发光二极管发光,当温度达到最高指示值时,蜂鸣器发出报警器。但是所用的两个LM324运算放大器的同向输入端均接在不同的支路上,第二个LM324 U1:D的同向输入端与电阻R20串联再与滑动变阻器RV1并联。

图2-2方案二电路仿真图
2.3 对比分析
两种方案经测试均可达到实验要求,但是方案二将两个LM324的同向电压分开控制,并给第二个LM324加了一个限流电阻,使电路更加合理安全。
故本次设计采用方案二电路设计。
3 电路设计
如图3-1,本电路设计是依靠改变运算放大器的输出电压来使LED灯依次亮,其中仿真电路时通以9V电压,第一个LM324(U1:A+U2+U3+U4)控制D1D4,第二个LM324(U1:D+U5+U6+U8)控制D5D8,开启仿真时,三极管处于截止区,不导通,称R19所在支路为支路1,R10所在支路为支路2,R20所在支路为支路3。其中支路1和2的电压均为9V,支路3的电压为滑动变阻器RV1的电压。其中两个LM324同向输入端的电压均由滑动变阻器RV1控制。第二个LM324的4个运算放大器的同向输入端也可以直接接到支路1上,也能达到实验想过,之所以加了一个R20将后四个同向输入端接到支路3上是起到限流作用,保护电路。
R1~R8为限流电阻,保护LED。R19与滑动变阻器RV1组成比较电压阈值,来控制同向输入端电压,没有R19会导致所有同向输入端电压过大,从而使LED常亮。 R10R18是分压电阻,用来限定每个运算放大器反向输入端的电压,其中没有R10会导致反向输入端电压过大,D2一定不会亮(V反>V同),c经测试当热敏电阻阻值为零时,只有D6D8会亮。R9为1K基极电阻,此次用的三极管为9013,是共射放大电路,当D2亮的时候,蜂鸣器随之被驱动。
运算放大器的反向输入端均接在了支路3上,由图可知,D2到D8所接的运算放大器的反向输入端电压依次减小,其中通过热敏电阻RT1来改变整体反向输入端的电压。我们先改变滑动变阻器的阻值,使D8刚亮,此时固定同相输入端电压。当加热热敏电阻时(此处为体现效果,测试图中将热敏电阻替换为滑动变阻器),反向输入端阻值减小,输出电压(V同-V反)β增大,致使后面的灯亮。
此测试结果图为RV1滑动变阻器接通阻值为10K*(1-67%) =3.3K的时候,D8刚刚灭,之后调节RV2滑动变阻器,使其阻值变为97%,即50K97%=48.5K时,D8刚亮,当阻值变为70%的时候,即50K70%=35K的时候,8个LED灯刚好全部亮。

图3-1
4 总体电路设计与测试
4.1软件仿真与调试
总电路图由上面所述的单元电路组合而成。只需改变热敏电阻的阻值即可使灯依次量。总电路仿真图如图4-1所示。

图4-1 总电路仿真图
测试结果如图4-2,4-3和图4-4所示(此处为体现效果,测试图中将热敏电阻替换为滑动变阻器)。此测试结果图为RV1滑动变阻器接通阻值为10K*(1-67%) =3.3K的时候,D8刚刚灭,之后调节RV2滑动变阻器,使其阻值变为(1-3%)=97%,即50K97%=48.5K时,D8刚亮,当阻值变为(1-30%)=70%的时候,即50K70%=35K的时候,8个LED灯刚好全部亮。

图4-2 测试结果图1(D8刚灭)

图4-3 测试结果图2(D8刚亮)

图4-4 测试结果图3(全部亮)
4.2 硬件仿真与调试
温度指示报警电路图如图4-5所示。此实物图采用4.5V直流电源供电,利用LM324比较器的比较电压,使输出电压发生变化,驱动LED亮。通过用手捏热热敏电阻,使反向输出端的电压减小,使LM324输出电压增大,LED会依次亮

图4-5(1)

图4-5(2)

图4-5(3)
图4-5温度指示报警器件实物图
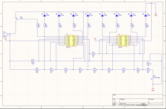
温度指示报警电路原理图4-6所示,温度指示报警电路PCB图4-7所示。两图通过AltiumDesigner Winter 09,加入所需元件库设计而成。

图4-6温度指示报警电路原理图

图4-7温度指示报警电路PCB图
5 体会
最开始用proteus进行仿真的时候遇到了很多的错误,其中最主要是选择运算放大器耗了很长的时间,一开始没有具体了解LM324的具体原理,LM324是一个四运算放大器,其中在用proteus里仿真时一个LM324由4个运算放大器组成,从器件库调取器件时,应该是拿一个LM324(5引脚)和3个OP1P(3引脚,是一个理想运算放大器)组成一个完整的LM324。尤其是在Altium Designer里画原理图的时候第一次自己封装LM324把他分成了四部分,百度了之后发现,LM324可以直接用画一个填充并安装14个引脚表示(如下图5-1),当然需要标明各引脚的作用。然后画PCB时封装LM324就比较方便了,直接用Component Wizard中的DIP制作,很方便。

图5-1
用滑动变阻器控制好同向输入端的电压,热敏电阻改变反向输入端的电压,
包括在画原理图和PCB版的时候,就应该把4个运算放大器集成到一个器件里组成LM324,标清好14个引脚的功能。
以后在做类似实习的时候,一定要先在网上查清楚所使用芯片的原理图,了解它每一个引脚的功能。
电路焊接过程中,器件比较集成,引脚间距短,容易把两个引脚连接在一起。
这次课程设计把学习的理论与实践相结合,提高了我们的动手能力,让我们了解了更多电路方面的实际知识,收获很大。
6 系统使用的元器件清单

表6-1温度指示报警器件清单
7 参考文献
[1]童诗白,华成英,模拟电子技术基础(第五版).北京:北京高等教育出版社,2015.7
[2]高建疆,电子电路设计制作的调试探析[J],数字通信世界,2018.07
[3]张璐,一种测温放大与报警电路设计[J],甘肃科技纵横,2019.09
[4]王世福,宋世学,模电教学中运算电路教学探究[J].科技资讯,2020.11
[5]王正勇.基于LM324的信号发生器设计与仿真[J].现代电子技术,2016.1
[6]雷媛媛,超温报警电路的设计[J],数字技术与应用,2015.12
8 附录
1、LM324资料
LM324内部包括有两个独立的、高增益、内部频率补偿的运算放大器,适合于电源电压范围很宽的单电源使用,也适用于双电源工作模式,在推荐的工作条件下,电源电流与电源电压无关。它的使用范围包括传感放大器、直流增益模块和其他所有可用单电源供电的使用运算放大器的场合。
LM324系列是低成本的四路运算放大器,具有真正的差分输入。在单电源应用中,它们与标准运算放大器类型相比具有几个明显的优势。该四路放大器可以工作于低至3.0 V或高达32 V的电源电压,静态电流是MC1741的五分之一左右(每个放大器)。共模输入范围包括负电源,因此在众多应用中无需外部偏置元器件。输出电压范围也包括负电源电压。
应用领域包括传感器放大器,直流增益模块和所有传统的运算放大器可以更容易地在单电源系统中实现的电路。例如,可直接操作的LM324系列,这是用来在数字系统中,轻松地将提供所需的接口电路,而无需额外的±15V电源标准的5V电源电压。
主要特性:
短路保护输出
真正的差分输入级
单电源供电:3.0 V至32 V(LM224、LM324、LM324A)
低输入偏置电流:100 nA最大值(LM324A)
每个封装有4个放大器
内部补偿
共模范围扩展至负电源
行业标准的引脚分配
输入端的ESD钳位提高了可靠性,且不影响器件工作
提供无铅封装

图8-1
2、9013资料
9013是一种NPN型小功率三极管。三极管,是半导体基本元器件之一,具有电流放大作用,是电子电路的核心元件。三极管是在一块半导体基片上制作两个相距很近的PN结,两个PN结把整块半导体分成三部分,中间部分是基区,两侧部分是发射区和集电区。三极管的排列方式有PNP和NPN两种。s9013 NPN三极管主要用途:作为音频放大和收音机1W推挽输出以及开关等 。
9.附:完整资源链接——温度指示报警电路设计
(含:温度指示报警电路设计报告+PPT+PPT讲解视频+Pcb电路封装图+Proteus电路仿真图+真实器件测试视频)

浙公网安备 33010602011771号