低通和高通电路频率响应分析
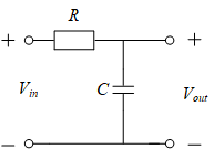
●低通电路

\(\qquad\)●传递函数: \(A_v=\frac{1} {1+j ωRC },令f_H=\frac{1}{2πRC}, A_v=\frac{1} {1+j \frac{f}{f_H} }\)
\(\qquad\)●幅频特性:\(|A_v|=\frac{1} {\sqrt{1+(\frac{f}{f_H})^2} }\)
\(\qquad\qquad\)●当\(f<<f_H\)时,\(|A_v|=\frac{1} {\sqrt{1+(\frac{f}{f_H})^2} }\approx1,20lg|A_v|=20lg1=0dB\)
\(\qquad\qquad\)●当\(f>>f_H\)时,\(|A_v|=\frac{1} {\sqrt{1+(\frac{f}{f_H})^2} }\approx\frac{f_H}{f}\),\(20lg|A_v|=20lg\frac{f_H}{f}\)
\(\qquad\qquad\)●当\(f=10f_H\),\(|A_v|\approx0.1,20lg|A_v|\approx-20dB\)
\(\qquad\qquad\)●当\(f=100f_H\),\(|A_v|\approx0.01,20lg|A_v|\approx-40dB\)
\(\qquad\qquad\)●当\(f=f_H\),\(|A_v|\approx0.707,20lg|A_v|\approx-3dB\)
\(\qquad\)●相频特性:\(φ=-arctg(\frac{f}{f_H})\)
\(\qquad\qquad\)●当\(f<<f_H\)时,\(φ→0°\)
\(\qquad\qquad\)●当\(f>>f_H\)时,\(φ→-90°\)
\(\qquad\qquad\)●当\(f=f_H\)时,\(φ→-45°\)
\(\qquad\)●波特图
\(\qquad\qquad\)●幅频曲线
\(\qquad\qquad\)
\(\qquad\qquad\)●相频曲线
\(\qquad\qquad\)
●高通电路
\(\qquad\qquad\)
\(\qquad\)●传递函数: \(A_v=\frac{1} {1-\frac{j}{ωRC} },令f_L=\frac{1}{2πRC}, A_v=\frac{1} {1-j \frac{f_L}{f} }\)
\(\qquad\)●幅频特性:\(|A_v|=\frac{1} {\sqrt{1+(\frac{f_L}{f})^2} }\)
\(\qquad\qquad\)●当\(f>>f_L\)时,\(|A_v|=\frac{1} {\sqrt{1+(\frac{f_L}{f})^2} }\approx1\),\(20lg|A_v|=20lg1=0dB\)
\(\qquad\qquad\)● 当\(f<<f_L\)时,\(|A_v|=\frac{1} {\sqrt{1+(\frac{f_L}{f})^2} }\approx\frac{f}{f_L}\),\(20lg|A_v|=20lg\frac{f}{f_L}\)
\(\qquad\qquad\)●当\(f=0.1f_L\),\(|A_v|\approx0.1\),\(20lg|A_v|\approx-20dB\)
\(\qquad\qquad\)●当\(f=0.01f_L\),\(|A_v|\approx0.01\),\(20lg|A_v|\approx-40dB\)
\(\qquad\qquad\)●当\(f=f_L\),\(|A_v|\approx0.707\),\(20lg|A_v|\approx-3dB\)
\(\qquad\)●相频特性:\(φ=-arctg(\frac{f_L}{f})\)
\(\qquad\qquad\)●当\(f>>f_L\)时,\(φ→0°\)
\(\qquad\qquad\)●当\(f<<f_L\)时,\(φ→-90°\)
\(\qquad\qquad\)●当\(f=f_L\)时,\(φ→-45°\)
\(\qquad\)●波特图
\(\qquad\qquad\)●幅频曲线
\(\qquad\qquad\)
\(\qquad\qquad\)●相频曲线
\(\qquad\qquad\)


浙公网安备 33010602011771号