IIC学习----概念篇
(每周一更)
IIC协议
先上百度百科:
I2C总线是由Philips公司开发的一种简单、双向二线制同步串行总线。它只需要两根线即可在连接于总线上的器件之间传送信息。
主器件用于启动总线传送数据,并产生时钟以开放传送的器件,此时任何被寻址的器件均被认为是从器件.在总线上主和从、发和收的关系不是恒定的,而取决于此时数据传送方向。如果主机要发送数据给从器件,则主机首先寻址从器件,然后主动发送数据至从器件,最后由主机终止数据传送;如果主机要接收从器件的数据,首先由主器件寻址从器件.然后主机接收从器件发送的数据,最后由主机终止接收过程。在这种情况下.主机负责产生定时时钟和终止数据传送。
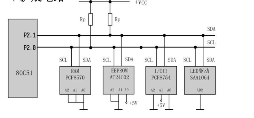
IIC的物理拓扑结构
图片来源百度
IIC是属于通信方式中的串行通信方式,接线只有两根分别是数据线SDA和时钟线SCL(有些人叫SCK)。IIC总线是开漏输出的,所以必须在外部接上拉电阻,上拉电阻我常用的就是4.7K、5.1K、10K。我看过其它的博客,有些博主说上拉电阻会影响很多,其中包括了传输速率、功率的问题,可以参考一下这个链接IIC的上拉电阻描述,IIC总线上可以挂载多个IIC从机设备,绝大多数情况下使用IIC协议的IC芯片都有唯一地址,但是有些传感器就是有一个以上的地址,比如说我上次写的一个光流传感器MAX44009,这个IC有两个地址分别对应两种模式,但是我只用过一个,另一个没试过。
IIC总线协议: IIC总线上数据的传输必须以一个起始信号(START),以一个结束信号作为传输的停止。起始和结束信号只能由主机产生也就是说IIC通信不能有从机开始,必须由主机向外发送出一个地址,如果总线上有对应地址的IC,那么就会产生应答,主机接收到应答之后就可以对它进行数据传输。
IIC的几种信号
开始信号:SCL在高电平期间,SDA有一个下降沿则被认为是开始信号
结束信号:SCL在高电平期间,SDA有一个上升沿则被认为是结束信号
IIC开始、停止信号的时序图
应答信号和上面的两个信号有点差异,这个需要从机配合,应答信号分为两种
第一种就是发数据的应答:主机箱从机发送数据之后,就会将SDA置1,如果从机正确接收完数据会自动的将SDA置0,这个时候需要从机对SDA状态进行判断,时序图如下图所示:
应答信号时序图
第二种就是读数据的应答:当主机读取最后一位数据后,要将SDA置1
(下一篇用代码说明IIC的三个信号:开始信号、应答信号、结束信号,以及数据传输的种类以及方式)
本文纯属个人学习总结,不敢保证全对

浙公网安备 33010602011771号