作者大概只是多打了一个字,但就是这个字却让我误会了好一会。
原文如下:
神奇的记忆能力
到目前为止,你设计的组合电路比如加法器天生是没有办法存储信息的,它们只是简单的根据输入得 出输出,但输入输出总的有个地方能够保存起来,这就是需要电路能保存信息。
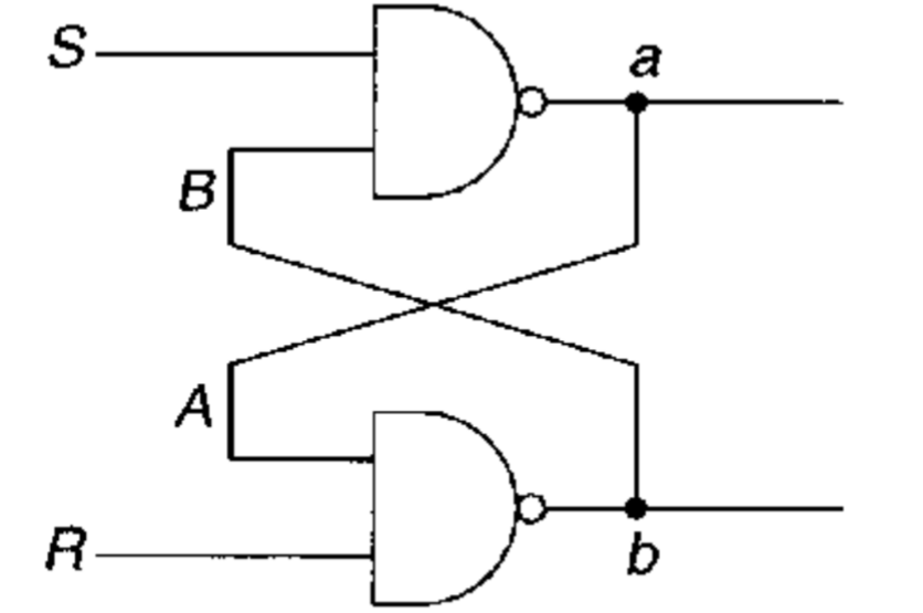
电路怎么能保存信息呢?你不知道该怎么设计,这个问题解决不了你寝食难安,吃饭时在思考、走路 时在思考,蹲坑时在思考,直到有一天你在梦中遇一位英国物理学家,他给了你这样一个简单但极其 神奇的电路,因为这个电路有记忆功能:

这是两个NAND门的组合,不要紧张,NAND也是有你设计的与或非门组合而成的,所谓NAND门就 是与非门,先与然后取非,比如给定输入1和0,那么与运算后为0,非运算后为1,这就是与非门,这 些不重要。
比较独特的是该电路的组合方式,一个NAND门的输出是两一个NAND门的输入,该电路的组合方式 会生成一种很有趣的特性,只要给S和R段输入1,那么这个电路只会有两种状态:
要么a端为1,此时B=0、A=1、b=0; 要么a端为0,此时B=1、A=0、b=1;
不会再有其他可能了,我们把a端的值作为电路的输出。
此后,如果你把S端置为0的话(R保持为1),那么电路的输出也就是a端永远为1,这时就可以说我们把 1存到电路中了;而如果你把R段置为0的话(S保持为1),那么电路的输出也就是a端永远为0,此时我 们可以说把0存到电路中了。
就问你神奇不神奇,电路竟然具备了信息存储能力。
有问题的句子:一个NAND门的输出是两一个NAND门的输入
我的理解原文可能是:一个NAND门的输出是另外一个NAND门的输入。也就是说S端的值相当于存储在b端,R端的值相当于存储在a端。这样和后文作者的说法也能对上了。(只是我个人的理解,不一定对,有错欢迎喷我)
浙公网安备 33010602011771号