第五章练习题_1
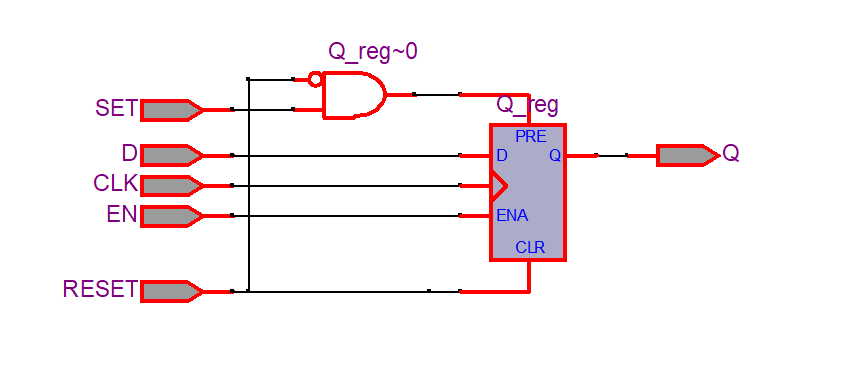
1.题目:根据RTL图给出HDL描述
DFF的引脚功能:

PRE与CLR均为异步控制信号;PRE置高,DFF输出为1;CLR置高,DFF输出为0;
分析:信号优先级为 \(CLR>PRE\);当ENA为1时,时钟启动,CLR为0时,模块清零,PRE为1时,模块置1;ENA为时钟控制信号,
module DFFa(SET,D,CLK,EN,RESET,Q);
input D,CLK,EN,RESET,SET;
output Q;
reg q;
wire PRE;
always@(posedge CLK,posedge PRE,posedge RESET)//这里需注意边沿触发和电平触发不能混用
begin
if(RESET)//RESET上沿敏感,因此一旦触发,将为1
q<=0;
else if(PRE)
q<=1;
else if(EN)
q<=D;
end
assign PRE=SET&(~RESET);
assign Q=q;
endmodule
/*一些个人纠结问题的思考与解答:
Q1:EN信号要放在敏感信号表中吗?
A1:不用。EN是时钟控制信号,always语句对时钟敏感,那么进入always语句的前提是时钟已经打开了。
Q2:RESET是电平触发,为什么要用posedge RESET?
A2:always语句不允许有边沿触发和电平触发混合形式,当有时钟应先满足时钟敏感信号触发;另外高电平触发的RESET在到来一个上升沿后一定会在高电平,故if判断RESET是否为1
*/
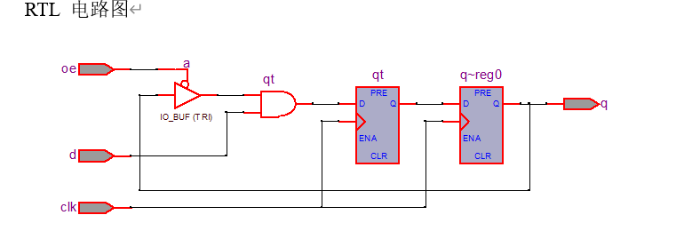
2.题目:请画出下述Verilog所描述的RTL图:
module reg1v(d,clk,q,oe);
input d,clk,oe;
output reg q;
wire a;
reg qt;
assign a = oe ? 1’bz : q;//注意z是高阻态,即无穷大电阻,信号无法通过。
always @(posedge clk) begin
qt <= a&d;
q <= qt;
end
endmodule
思路:1.初步判断,电路有两个输入信号(\(d,oe\)),一个时钟信号(\(clk\)),一个输出信号(\(q\)),并由一个三态门和一个always过程语句模块组成.
2.三态门由控制端\(oe\),输入端\(q\) (可以看到,输出信号\(q\)反馈回来成为了输入量),输出端为辅助变量\(a\).
3.后端模块是一个时序电路,敏感信号是时钟上升沿,输入信号是(\(a,d\))的与,再经过一个D触发器后输出.
4.画出电路图

本文来自博客园,作者:JsDakey,转载请注明原文链接:https://www.cnblogs.com/helloszy/p/16355260.html

浙公网安备 33010602011771号