计算机组成原理知识总结(一)计算机概论
计算机概论
1.1 计算机的分类
计算机可分为两大类:电子模拟计算机和电子数字计算机。
 
 电子模拟计算机比不上电子数字计算机,所以现在的计算机一般指电子数字计算机,而在电子数字计算机中又进行了详细的划分。电子数字计算机可分为专用计算机和通用计算机,专用的普世性差,但是效率高。通用计算机又分为下图6类,多核机、单片机、PC机、服务器、大型机和超级计算机。
 
1.2 计算机发展史
略
1.3 计算机硬件
1.3.1 硬件组成要素
存储器、运算器、控制器和适配器
 
1.3.2 运算器
主要功能为进行加减乘除等算术运算,也可以进行逻辑运算。通常被称为ALU(算术逻辑运算部件)。
 
1.3.3 存储器
主要功能为保存或者记忆运算数据和步骤,存储器由许多存储单元组成。
 
1.3.4 控制器
是计算机中用来发号施令的设备,它将放在存储器的指令拿出来加以分析执行。
-  计算程序 
 运算器只能进行一些加减乘除的运算,对于稍微复杂的运算,需要一步步进行拆解,拆解为基础的运算,这个基础的操作就叫做指令,一串指令序列就是计算程序了
-  指令的形式 
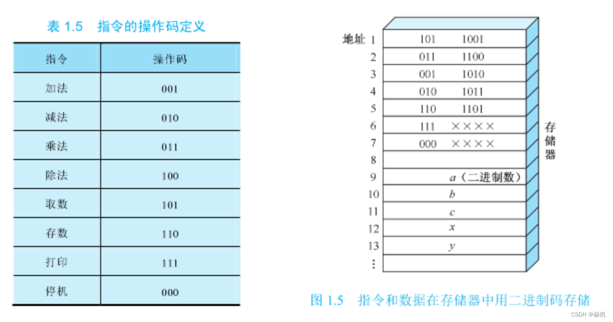
 指令由操作码和地址码组成,这样就可以告诉控制器,从存储器中的哪个地址中取出数字,再进行什么样的操作。
  
也可以将一些操作进行数码化,这样就可以将指令一起放进存储器中,将解题的程序存放到存储器中成为存储程序,控制器依据存储程序来控制全机协调完成的计算任务叫做程序控制。
指令和数据放在同一个存储器,称为冯.诺伊曼结构;分开放叫做哈佛结构,基本指令又构成了指令系统。
- 控制器的基本任务
就是按照计算程序所排的指令序列,先从存储器取出一条指令放到控制器中,对该指令的操作码由译码器进行分析判别,然后根据指令性质,执行这条指令,进行相应的操作。接着取出第二条,再执行,依此类推。

 取出指令的一段时间叫做取指周期,执行指令的一段时间叫做执行周期。在计算中系统中,运算器和控制器通常组合在一个集成电路芯片中,合称为中央处理器(中央处理机),简称处理器,英文缩写CPU。
- 指令流和数据流
 “位”(bit)是数字计算机的最小信息单位。当CPU从存储器送去或者取出信息的时候,会用B(字节)和W(字)等较大的信息单位来工作。一个“字节”由8位二进制信息组成,而一个“字”至少有一个以上的字节组成。组成一个字的二进制位数叫做字长。就是32位或者64位。
 如果某字代表数据,那就是数据字,如果是一条指令,那就是指令字。在取指周期中从内存独处的信息流是指令流,会流向控制器,是数据流就从内存流向运算器。
1.3.5 适配器与输入/输出设备
能让人们用文字或语言表达的问题直接送入计算机内部,作用就是将人们所熟悉的信息转换为计算机可以识别的二进制信息。比如键鼠套装,外围设备。
除了上述的各个部件,计算机系统中还需要有总线。系统总线是构成计算机系统的骨架,它可以将各系统部件之间实现传递地址、数据和控制信息的操作。
1.4 计算机的软件
1.4.1 软件的组成与分类
上述所说都是硬件,想让计算机运行还需要有软件,软件分为两大类:系统程序和应用程序
- 系统程序用来简化程序设计,包含四类:1、各种服务性程序;2、语言程序;3操作系统;4、数据库管理系统。
- 应用程序就是用户利用计算机解决某些问题而编制的程序。
1.4.2 软件的发展演变
手边程序(目的程序)直接用机器指令代码
 汇编语言,将指令用一些约定的数字、符号和文本代替。给机器翻译汇编语言的程序叫做汇编器。
 算法语言,更加直观的程序规则言语。

 后来又发展出操作系统、数据库管理系统等等,都是方便人们使用。
1.5 计算机系统的层次结构
1.5.1 多级组成的计算机系统
第1级是微程序设计级或逻辑电路级。
 第2级是一般机器级,也称为机器语言级。
 第3级是操作系统级,由操作系统程序实现。
 第4级汇编语言级,程序人员可以进行操作了。
 第5级高级语言级,面向用户。
 
1.5.2 软件与硬件的逻辑等价性
现在的一些硬件自带软件,成为固件,软硬件的界限模糊。
总结
电子计算机的构成
本文来自博客园,作者:赫凯,转载请注明原文链接:https://www.cnblogs.com/heKaiii/p/17137395.html
 
                     
                    
                 
                    
                

 
                
            
         
         浙公网安备 33010602011771号
浙公网安备 33010602011771号