【蓝桥杯-单片机设计与开发】2.蜂鸣器与继电器
1.回顾
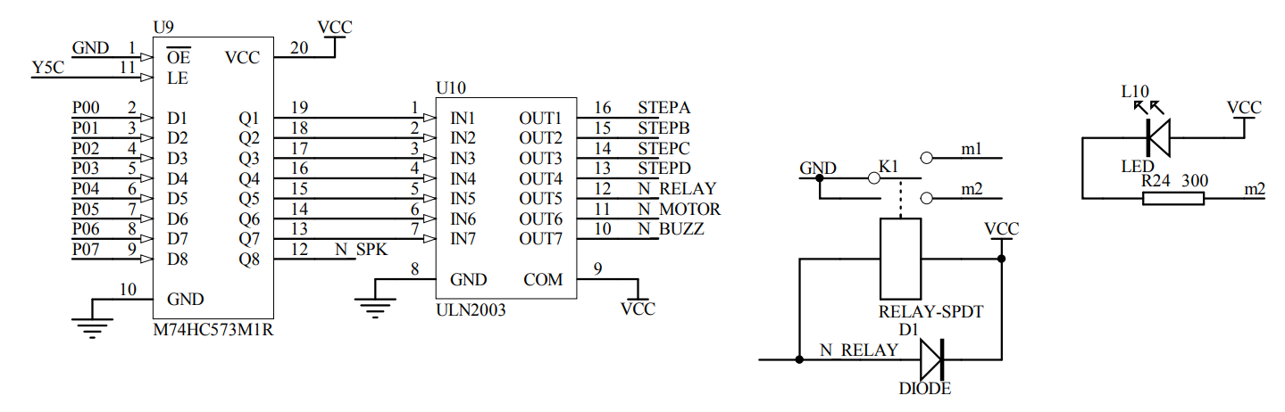
上一篇博客中已经提到,74HC138译码器和74HC02的工作流程和代码实现,只要通过138译码器选择不同的通道即可控制不同的外设。下面介绍控制继电器与蜂鸣器的控制流程。
2.蜂鸣器与继电器原理图


(1)当继电器 N RELAY 端接低电平时,缠绕在铁芯上的导线有电流通过,开关K1吸合,此时m2接GND,LED L10点亮。
(2)对于蜂鸣器来说,蜂鸣器一端接VCC,那么当蜂鸣器另一端N BUZZER接低电平时,蜂鸣器就会叫了。
(3)ULN2003:此为达林顿管,即反向放大器,当左端输入1时,右端输出0。
3.代码实现
hc138(5);//函数具体内容见上一篇博客
P0=0xff;//蜂鸣器继电器同时打开
P2&=0x1f;

浙公网安备 33010602011771号