【蓝桥杯-单片机设计与开发】1.点亮LED灯
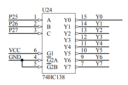
1.HC138译码器

138译码器是将二进制代码转化为高低电平,并以反码形式输出。
138真值表如图所示

2.74HC02与非门
Y4~Y7输出端连接74HC02与非门,WR在使用过程中通常通过跳线帽接GND,所以Y4C输出Y4'。

3.HC573锁存器

当Y4C为1时,HC573锁存器使能,那么P0口的数据就可以从左端传输到右端;当Y4C为0时,改变P0口的数据不影响LED灯的状态。图中LED接上拉电阻接VCC,那么当P0口给低电平,即可点亮LED。
4.代码实现
(1)138译码器
void hc138(unsigned char channel)
{
switch(channel)
{
case 4:P2=(P2&0x1f)|0x80;break;
case 5:P2=(P2&0x1f)|0xa0;break;
case 6:P2=(P2&0x1f)|0xc0;break;
case 7:P2=(P2&0x1f)|0xe0;break;
}
}
(2)点亮LED灯
void led(void)
{
hc138(4);
P0=0x00;
P2&=0x1f;
}

浙公网安备 33010602011771号