基于三阶广义积分器PFC的电气弹簧控制simulink建模与仿真
1.课题概述
基于三阶广义积分器PFC的电气弹簧控制simulink建模与仿真.
2.系统仿真结果
(完整程序运行后无水印)






3.核心程序与模型
版本:MATLAB2022a

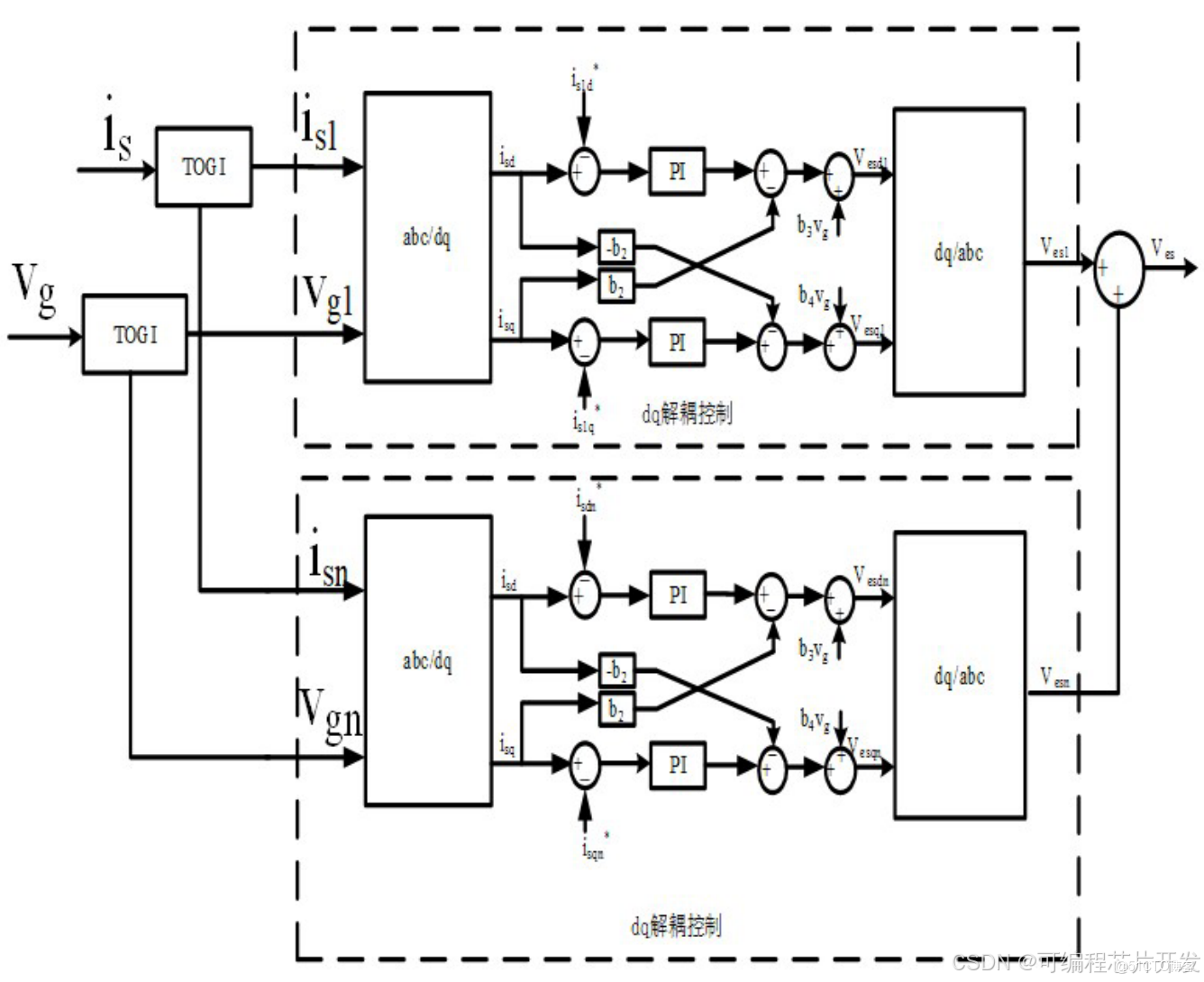
4.系统原理简介
随着可再生能源的广泛应用和智能电网的发展,电力电子技术在电力系统中的作用日益重要。功率因数校正(Power Factor Correction,PFC)技术是提高电力系统功率因数、减少谐波污染的关键技术之一。三阶广义积分器(Third-Order Generalized Integrator,TOGI)作为一种高性能的信号处理工具,在 PFC 中具有广阔的应用前景。本文将详细介绍基于三阶广义积分器 PFC 的电气弹簧控制原理。
电气弹簧(Electric Spring,ES)是一种新型的电力电子装置,它可以通过调节负载的电压和功率,实现对电网的功率因数校正和电压稳定控制。电气弹簧系统由电源、负载、电气弹簧和控制器组成。电源为系统提供电能,负载为系统消耗电能。电气弹簧连接在电源和负载之间,它可以通过调节自身的输出电压和功率,实现对负载的电压和功率调节。控制器根据系统的运行状态和控制目标,对电气弹簧进行控制。
基于三阶广义积分器 PFC 的电气弹簧控制策略的基本思想是:通过三阶广义积分器对电源电流进行处理,提取出电源电流中的基波成分和谐波成分。然后,根据控制目标,对电源电流中的基波成分和谐波成分进行分别控制,实现对电源的功率因数校正和电压稳定控制。基于三阶广义积分的PFC控制策略的系统结构如下图所示:


浙公网安备 33010602011771号