基于双PI矢量控制结构和SVPWM的风力发电系统Simulink建模与仿真
1.课题概述
风力发电系统的核心是风力发电机,常见的有永磁同步发电机和感应发电机(IG)。这些发电机通过风轮将风能转换为机械能,进而转换为电能。为了提高系统的效率和稳定性,采用矢量控制技术和SVPWM是非常有效的。在本课题中,我们将实现基于双PI矢量控制结构和SVPWM的风力发电系统Simulink建模与仿真。
2.系统仿真结果
(完整程序运行后无水印)




3.核心程序与模型
版本:MATLAB2022a

4.系统原理简介
风力发电系统的核心是风力发电机,常见的有永磁同步发电机和感应发电机。这些发电机通过风轮将风能转换为机械能,进而转换为电能。为了提高系统的效率和稳定性,采用矢量控制技术和SVPWM是非常有效的。
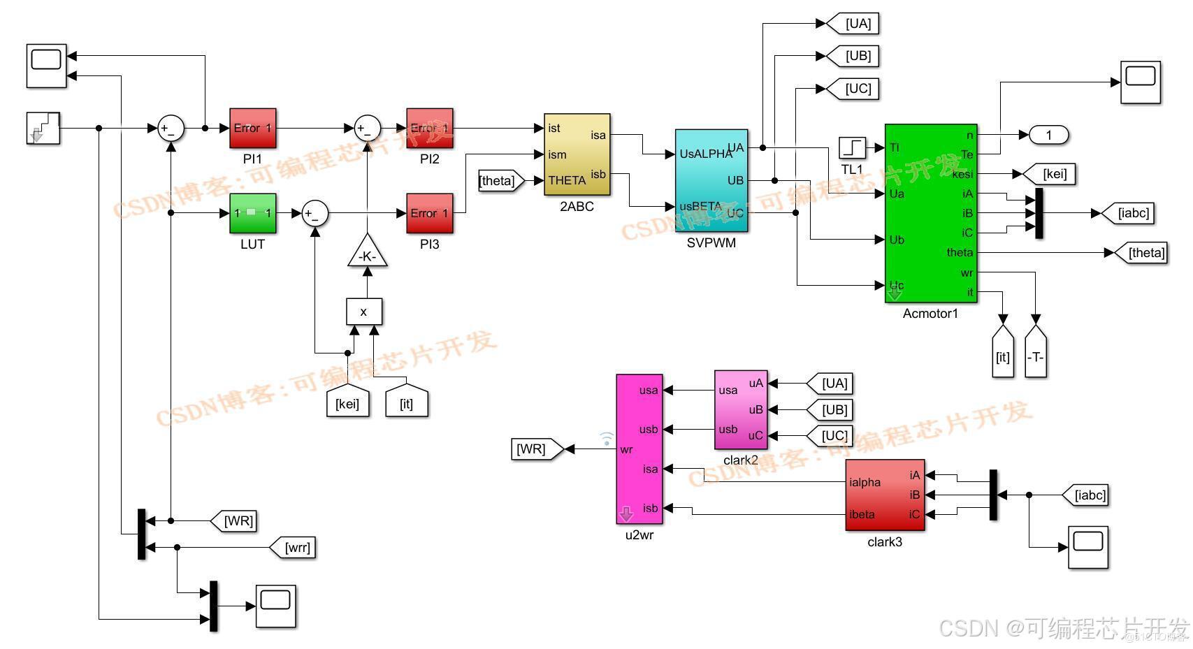
矢量控制技术通过将交流电机的磁场和转矩分解为相互垂直的两个分量来实现对电机的独立控制,从而提高电机的动态响应性能。对于永磁同步电机(PMSM),矢量控制的目标是将电流矢量分解为励磁电流Id和转矩电流Iq ,并通过控制这两个分量来独立调节电机的磁场和转矩。
4.1 PMSM数学模型

4.2 双PI控制结构

4.3 SVPWM
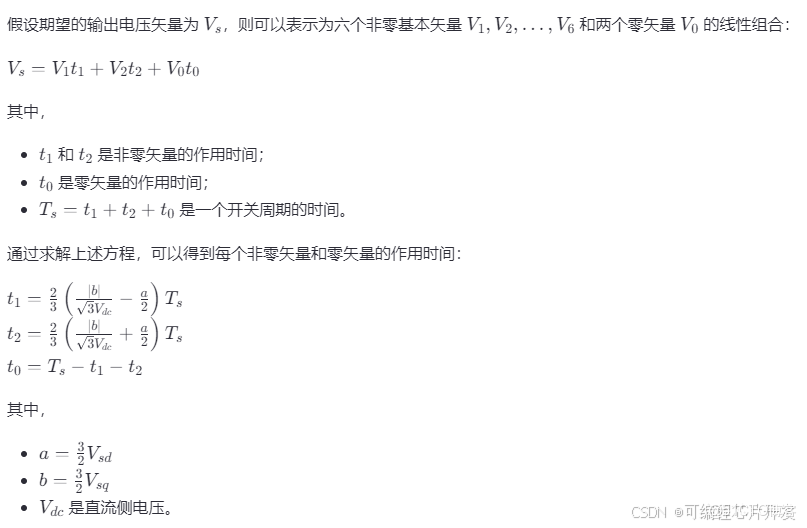
SVPWM通过在逆变器的开关状态空间中生成六边形的空间矢量,并通过这些矢量的合成来逼近所需的输出电压矢量。SVPWM的基本思想是将期望的输出电压矢量表示为六个非零基本矢量和两个零矢量的组合。

基于双PI矢量控制结构和SVPWM的风力发电系统通过矢量控制技术实现了对电机的高效控制,并通过SVPWM技术提高了逆变器的输出效率。通过合理的参数设置和控制策略,可以在复杂的工作条件下保证系统的稳定性和可靠性。随着技术的发展,未来的风力发电系统将进一步优化控制策略,提高能源利用率,并降低成本。

浙公网安备 33010602011771号