基于模糊PID控制器的风力温度控制系统simulink建模与仿真
1.课题概述
当房间的温度不能保持目标温度时,这个系统中的某个部件肯定出现问题了,也许是过滤器太脏引起压强差过大,冷风不能进入房间,也许是管道不够密封了,也许是风扇出现问题了,很多种情况,需要通过诊断判断出到底问题出在哪里。例如:
外的温度保持恒温 18ºc, 室内运行计算机,有散热,需要室内温度保持:
在 23ºc,当室内温度大于 23 ºc 小于 28 ºc 电风扇开一档;
当室内温度大于 28 ºc 小于 33 ºc 电风扇开二档;
当室内温度大于 33 ºc 小于 40 ºc 电风扇开三档。
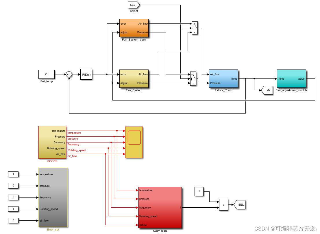
各个部件在运行过程中的输入输出参数为:温度,压强,风速,通风量,对于风扇还有频率,转速。
2.系统仿真结果

3.核心程序与模型
版本:MATLAB2022a

02_019m
4.系统原理简介
基于模糊PID控制器的风力温度控制系统是一种结合了模糊逻辑和比例-积分-微分(PID)控制理论的先进控制系统。该系统旨在通过智能调整PID控制器的参数来优化风力发电设备的温度控制性能,从而确保设备在各种工况下都能稳定、高效地运行。
4.1 模糊逻辑控制原理
模糊逻辑控制是一种基于模糊集合理论的控制方法,它能够处理不精确或模糊的信息。在风力温度控制系统中,模糊逻辑控制器通过接收温度误差和误差变化率等模糊输入信息,并根据预定义的模糊规则库进行推理,输出模糊控制量来调整PID控制器的参数。
4.2 PID控制原理
PID控制器是一种经典的反馈控制器,它通过比较设定值与实际输出值之间的误差,并根据比例、积分和微分三个环节的组合来调整控制量,从而减小误差并使系统趋近于设定值。PID控制器的数学表达式为:

4.3 模糊PID控制器原理
模糊PID控制器结合了模糊逻辑和PID控制的优点,通过模糊逻辑控制器动态调整PID控制器的参数,以适应不同的工况和扰动。具体来说,模糊PID控制器的设计包括以下几个步骤:
确定模糊输入和输出变量
通常选择温度误差 e 和误差变化率 ec 作为模糊输入变量,选择PID控制器的参数调整量 ΔKp、ΔKi 和 ΔKd 作为模糊输出变量。
模糊化处理
将输入变量 e 和 ec 模糊化为模糊集合,通常使用三角形或梯形隶属度函数进行模糊化。
建立模糊规则库
根据专家经验或实验数据,建立模糊规则库来描述输入变量与输出变量之间的关系。例如,当 e 较大且 ec 也较大时,应该增加 Kp 以加快响应速度;当 e 较小且 ec 也较小时,应该减小 Kp 并增加 Ki 和 Kd 以提高稳态精度。
模糊推理
根据模糊输入和模糊规则库进行模糊推理,得到模糊输出变量 ΔKp、ΔKi 和 ΔKd 的模糊集合。
清晰化处理
将模糊输出变量清晰化为具体的数值,通常使用重心法或最大隶属度法进行清晰化。
调整PID参数
将清晰化后的 ΔKp、ΔKi 和 ΔKd 加到初始的PID参数上,得到调整后的PID参数,并用于计算控制量 u(t)。
4.4 整体系统概述
整个系统基本结构如下:


浙公网安备 33010602011771号