无人艇(机)仿真,带gui。

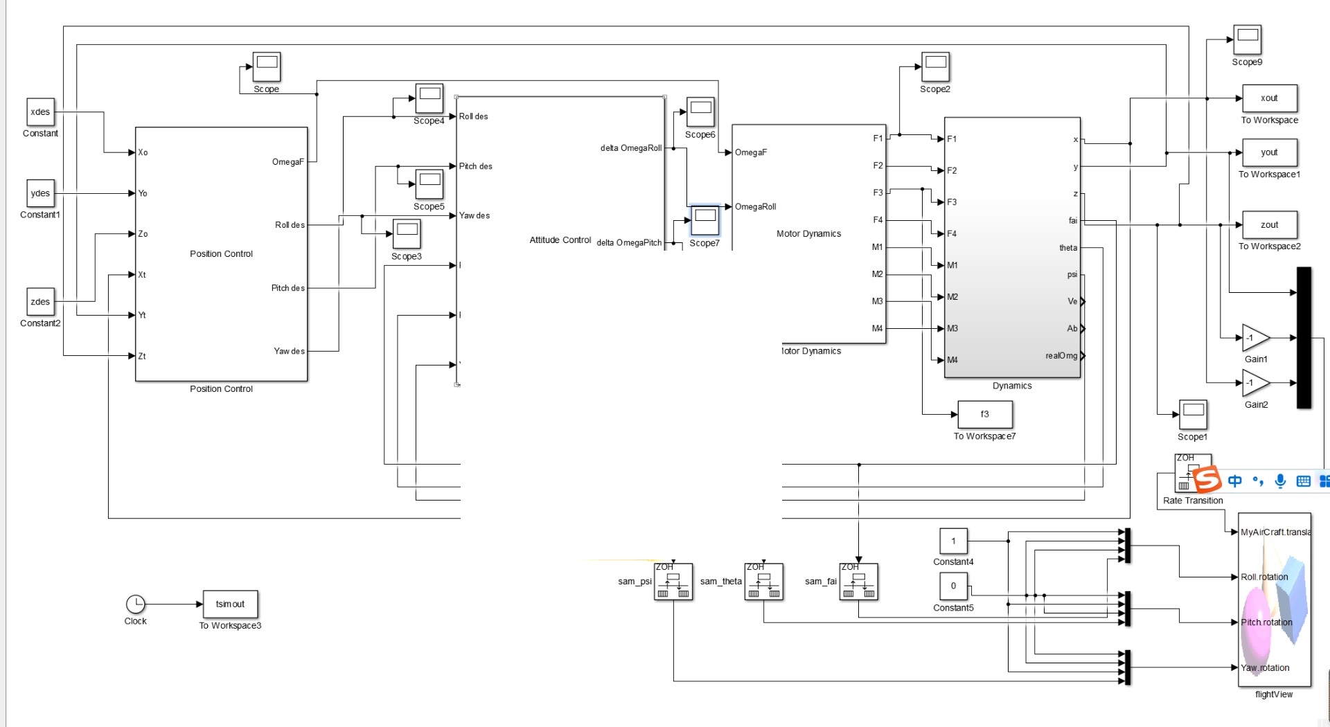
具体内容看图片。

文字资料已遗失,主参数通过initial来生成,具体模型全部在simulink里面,可自行推导,或者加价我去推导。

gui界面打开方式:在主界面输入guide,打开相应gui即可

ID:29200675071205512

posted on 2023-05-14 12:37  gongyic  阅读(24)  评论(0)    收藏  举报